Infinity 24e Continuous Flow Water Heater User's Manual

17
TEMPERATURE CONTROLS - INSTALLATION
Connecting One or Two Controllers
1. Isolate the power supply.
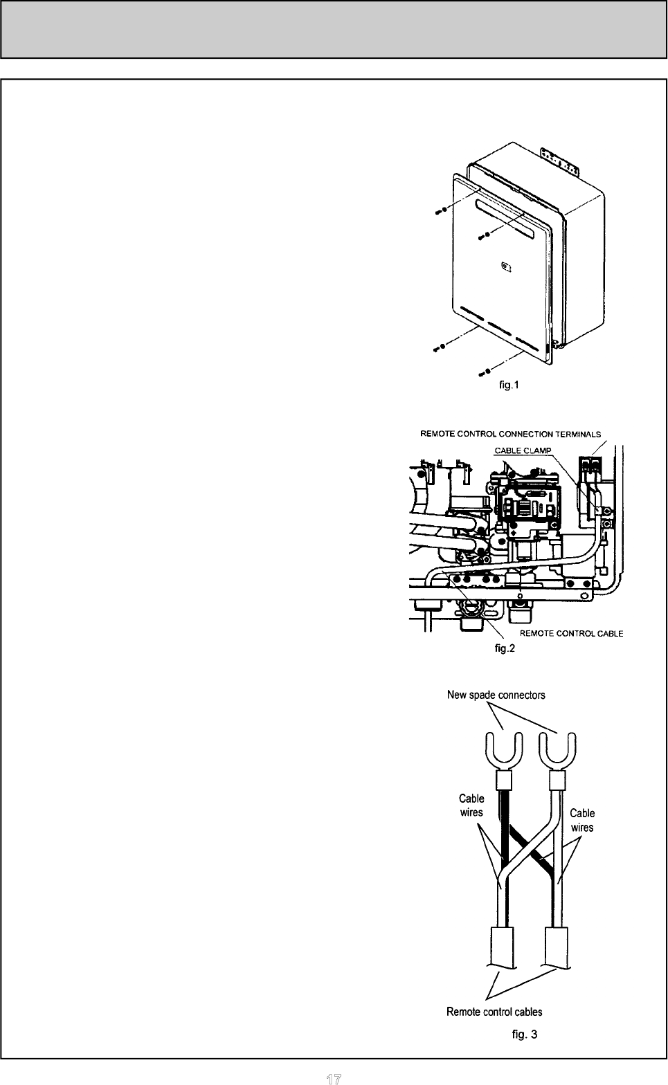
2. Remove the front cover from the Appliance (4
screws) fig. 1.
3. Thread the cable through the cable access hole
at the base of the appliance.
4. Connect the spade connectors to the terminals
marked "Remote Control" on the printed circuit
board (fig.2). Polarity is not important. Either
wire colour can be connected to either terminal.
5. Replace cover of the Appliance. Ensure that the
special earth screw is placed at the bottom right
hand corner for earthing purposes.
Connecting Three Controllers
1. Isolate the power supply.
2. Remove the front cover from the Appliance (4
screws) fig.1.
3. Thread the cables through the cable access
hole at the base of the appliance.
4. Cut the spade connectors from two controller
cables (4 connectors should be cut off) and
discard. Connect the wires and terminate into
two new spade connectors as shown in fig. 3.
5. Thread the 3 cables through the cable access
hole at the base of the appliance. Connect the
4 spade connectors to the terminals marked
“Remote Control" on the printed circuit board
(fig.2). Polarity is not important. Either wire
colour can be connected to either terminal.
6. Replace cover of the Appliance. Ensure that the
special earth screw is placed at the bottom right
hand corner for earthing purposes.
Connecting Four Controllers
1. Isolate the power supply.
2. Remove the front cover from the Appliance (4
screws) fig.1.
3. Cut the spade connectors from all four controller
cables to be connected to the appliance (8
connectors should be cut off) and discard.
Connect the wires from two remotes and
terminate into two new spade connectors as
shown in fig. 3.
4. Repeat for remaining two remotes.
5. Thread the 4 cables through the cable access
hole at the base of the appliance. Connect the 4
spade connectors to the terminals marked
“Remote Control" on the printed circuit board
(fig.2). Polarity is not important. Either wire
colour can be connected to either terminal.
5. Replace cover of the Appliance. Ensure that the
special earth screw is placed at the bottom right
hand corner for earthing purposes.










