Installation Guide
Manuals
Brands
Rinnai Manuals
Tankless Gas Water Heaters
RL75EP
21
22
23
24
25
26
27
28
29
30
Table Of Contents
100000244(05) VC Manual English July 2014 Final
100000244(05) VC Manual English July 2014 for translation FRE
28
VC Series Manual
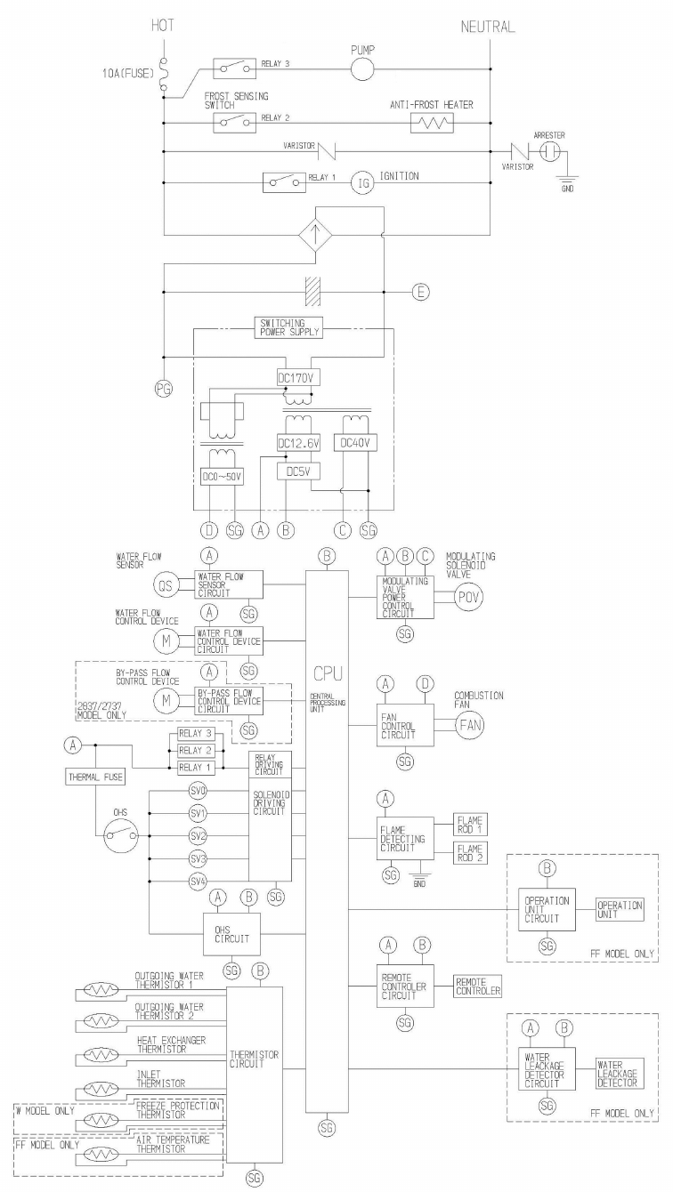
Ladder Diagram
1
...
...
26
27
28
29
30
...
...
94