Manual
Manuals
Brands
RME Manuals
Car Speakers
DSP System Multiface
71
72
73
74
75
76
77
78
79
80
74
User's Guide HDSP System Multiface II
© RME
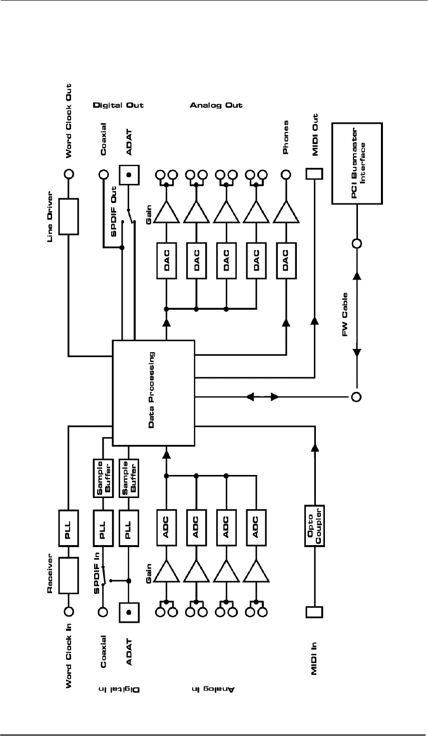
31. Diagrams
31.1 Block Diagram Multiface II
1
...
...
72
73
74
75
76
...
...
80