Operation Manual
Manuals
Brands
Robland Manuals
Other
NX310 Pro
41
42
43
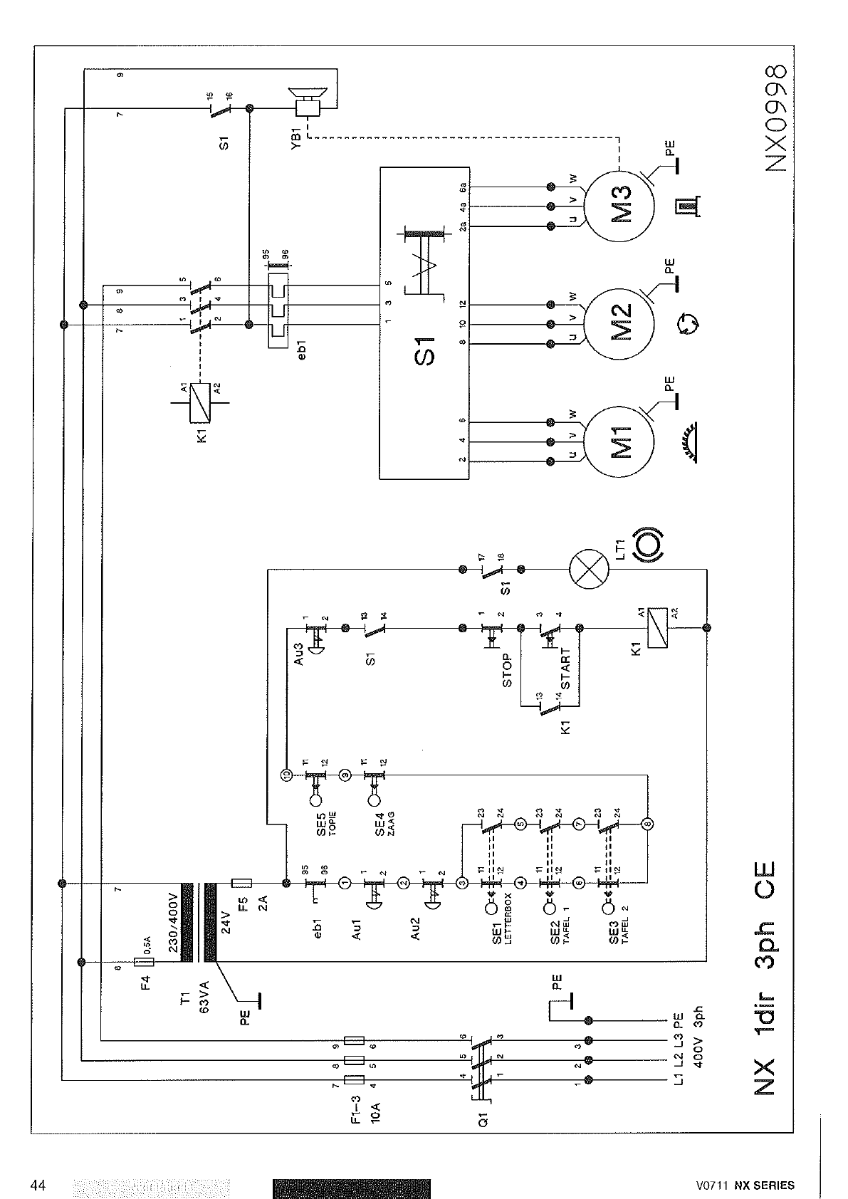
44
45
46
47
48
49
50
1
...
...
44
45
46
47
48
...
...
100