Co. Ltd. User's Manual smart actuator DX-116

35
English Translation by: Tribotix Pty Ltd
www.tribotix.com
DYNAMIXEL
DX-116
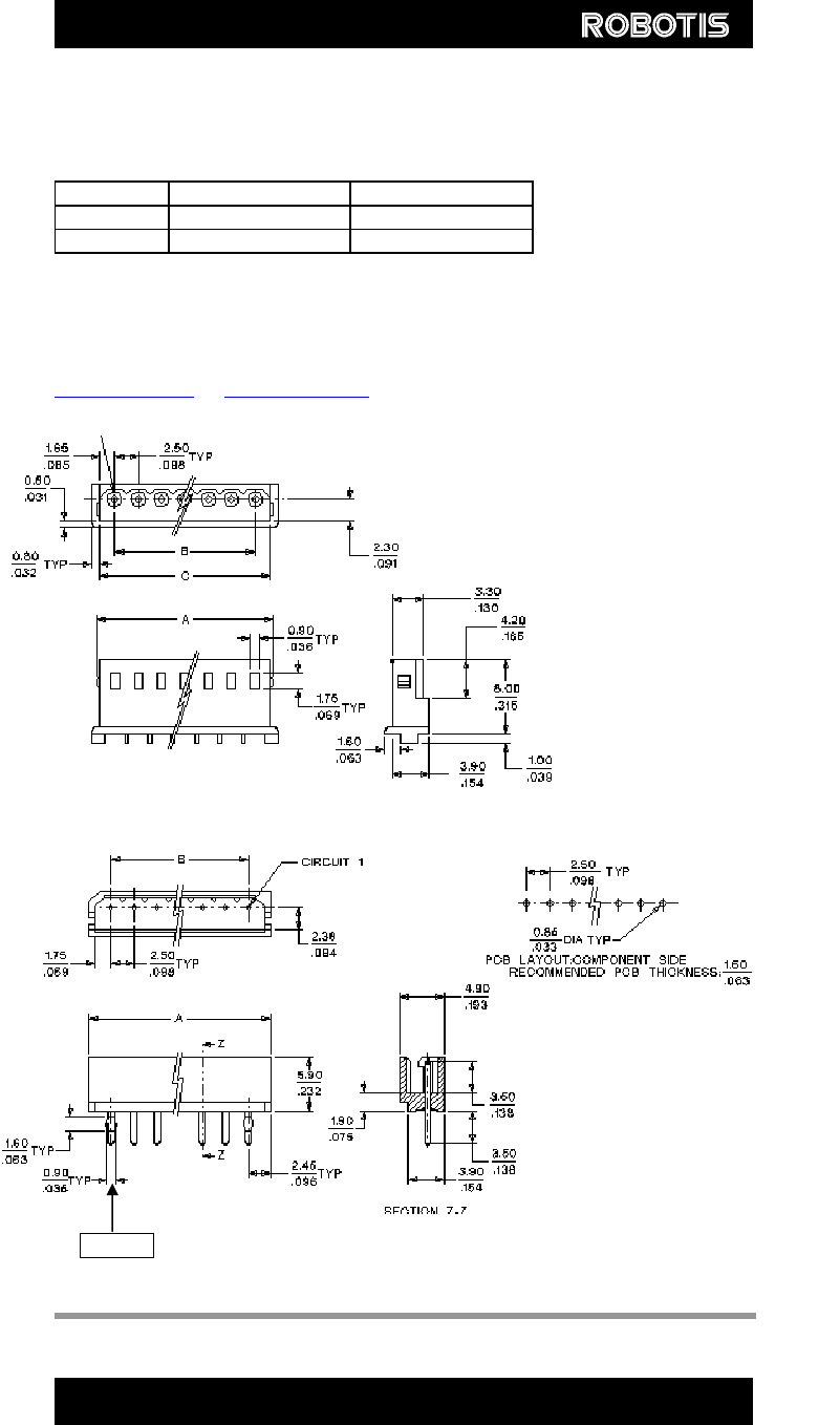
Connector Company Name : Molex
Pin Number: 4
Model Number
Temperature range : -40°C to +105°C
Contact Insertion Force-max : 14.7N (3.30 lb)
Contact Retention Force-min : 14.7N (3.30 lb)
www.molex.com
or www.molex.co.jp for more detail information
Female Connector
Male Connector
Molex Part Number Old Part Number
Male 22-03-5045 5267-04
Female 50-37-5043 5264-04
Pin No.1










