Owner manual

Chapter 6
Installation
6-2
CAUTION: The installation of the drive must be planned such
that all cutting, drilling, tapping and welding can be accom-
plished with the drive removed from the enclosure. The drive is
of the open type construction and any metal debris must be kept
from falling into the drive. Metal debris or other foreign matter
may become lodged in the drive circuitry resulting in component
damage.
!
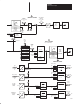
Figure 6.1
Nominal Dimensions Series B
1 – 30 HP 230V
2 – 60 HP 460V
1 – 30 HP 45 (20.4) 11.9 (302.2) 11.0 (279.4) 22.5 (571.5) 23.5 (596)2 – 60 HP
Weight.
Lbs. (kg) 230V
A
Inches (mm)
460V
Dimensions
B
Inches (mm)
C
Inches (mm)
D
Inches (mm)
B
A
C
Front
Side
Side (Door Open)
D
E
10.75 (273)
E
Inches (mm)
24.0 (609.6)
F
Inches (mm)
F
Note: Dimension drawings are for estimation only, do not
use for construction. Contact factory for certified prints.