Owner's Manual EIGHT CHANNEL MIXER WITH 24BIT DIGITAL EFFECTS AND HARD DISK MODE MDR8
Manuals
Brands
Samson Manuals
Musical Instrument
MDR8
15
16
17
18
19
20
21
22
23
24
21
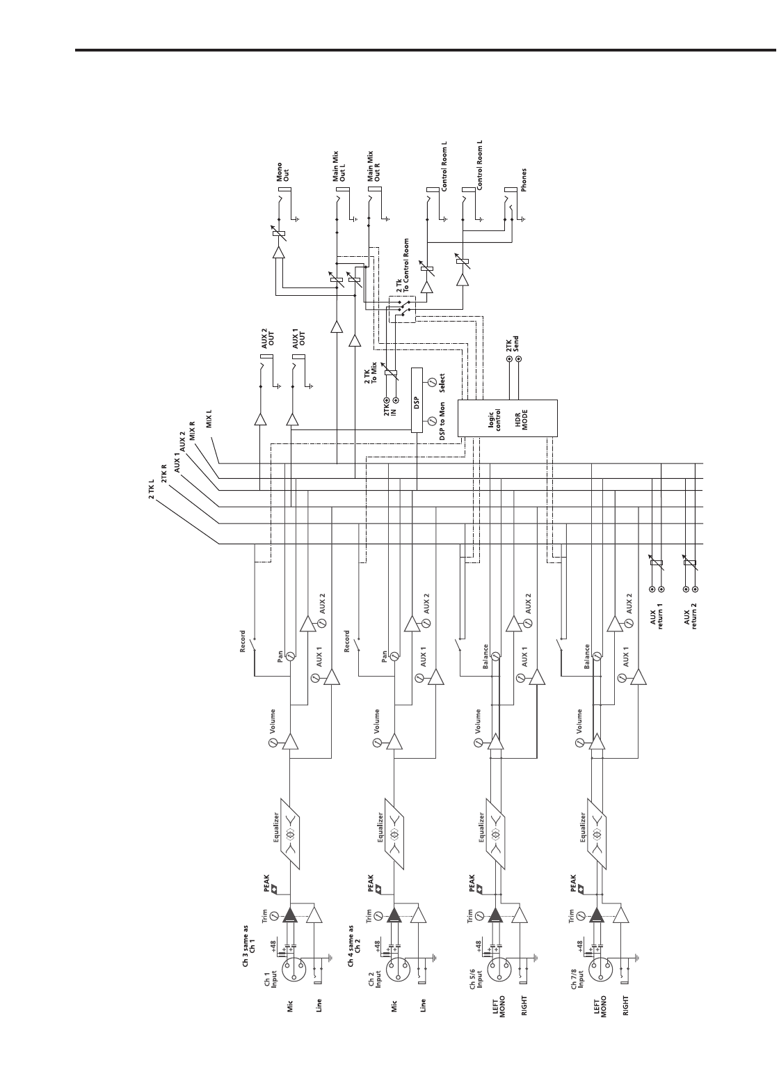
Block Diagram
1
...
...
21
22
23
24