DVR User Manual
Manuals
Brands
Samsung Manuals
DVR
SVR-1650E
31
32
33
34
35
36
37
38
39
40
SVR-1650E/1640A/950E User Manual
31
3
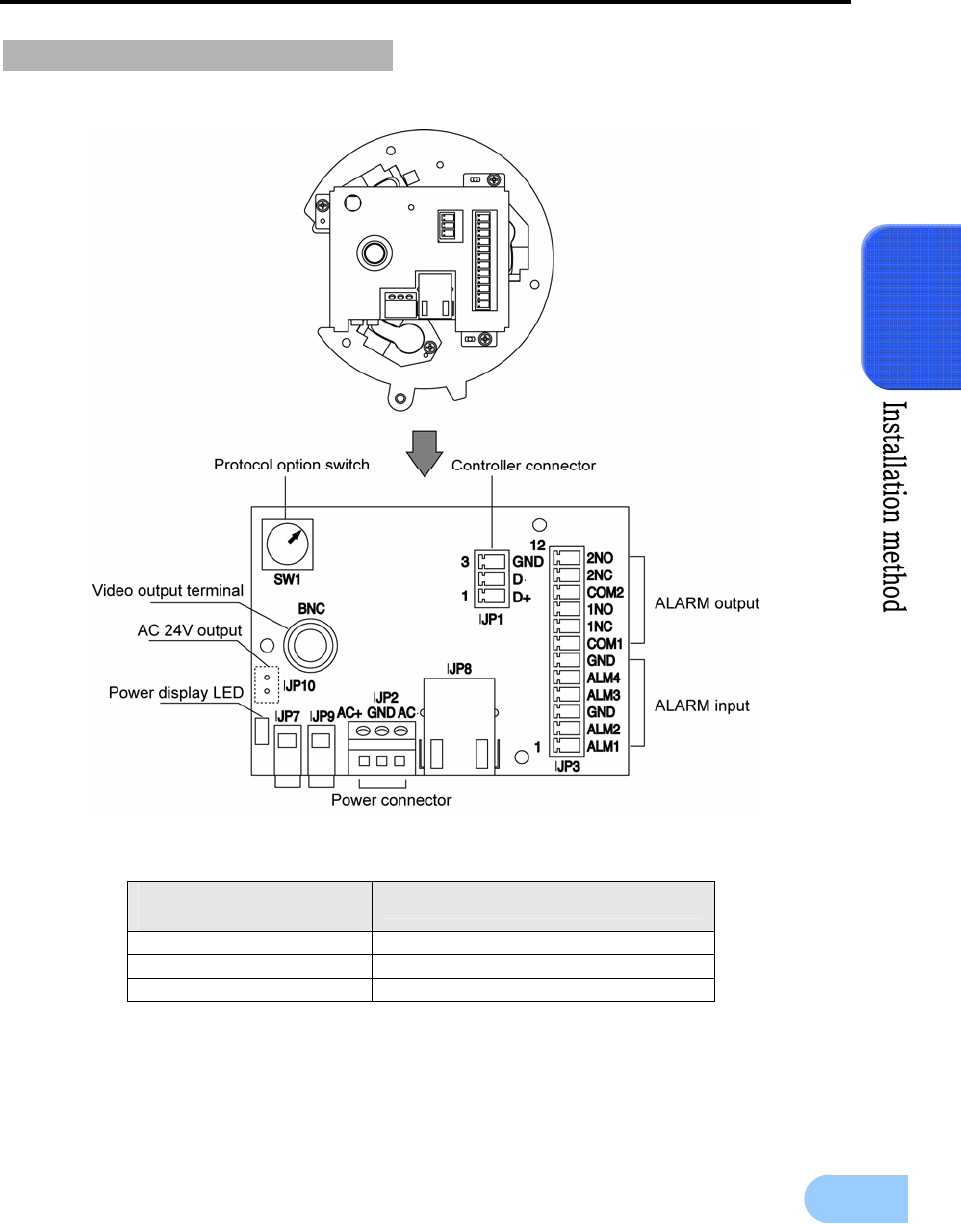
PORT B : SPD-2200 terminal
Speed dome
terminal
DVR POR
T B
D +
9 or 16
D -
10 or 15
GND 13
※
If
GND is connected, a much sharper image quality can be seen.
T
E
R
M
2
s
w
i
t
c
h
1
,
2
m
u
s
t
b
e
s
e
t
t
o
O
N
.
1
...
...
31
32
33
34
35
...
...
116