Installation Instructions

Installation Instructions
SCR-Smart Card Reader
The content of this document is protected by copyrights.
Date
Name
Created
28..11.11
Hen
File name:
B
--.--.--
-
-
-
Approved
28.11.11
Hen
03 65044 0 B.doc
Index
Date
Created
Approved
Standardization
Standardization
30.11.11
Jor
Scheidt & Bachmann GmbH
D-41238 Mönchengladbach Breite Straße 132
Installation
Instructions SCR
03 65044 0 __
Page: 4 of 8
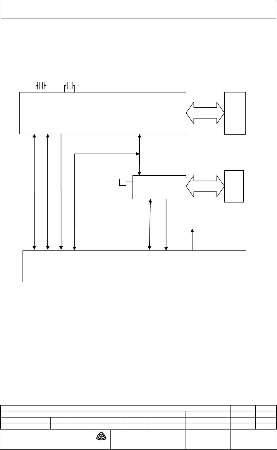
3 Block diagram: Circuit Board Transponder II 03 62101 0
CPU Module 03 53742 0
I2C
RS232
USB1.1
DATA / CONTROL
CONTROL
LED/BUZZER
FPGA
Memory
ARM 9 CPU
Memory
8 Bit Bus
connector to baseboard
+3.3V
18,432MHz
32,768 KHz
50 MHz
20MHz








