Installation Instructions

Installation Instructions
SCR-Smart Card Reader
The content of this document is protected by copyrights.
Date
Name
Created
28..11.11
Hen
File name:
B
--.--.--
-
-
-
Approved
28.11.11
Hen
03 65044 0 B.doc
Index
Date
Created
Approved
Standardization
Standardization
30.11.11
Jor
Scheidt & Bachmann GmbH
D-41238 Mönchengladbach Breite Straße 132
Installation
Instructions SCR
03 65044 0 __
Page: 5 of 8
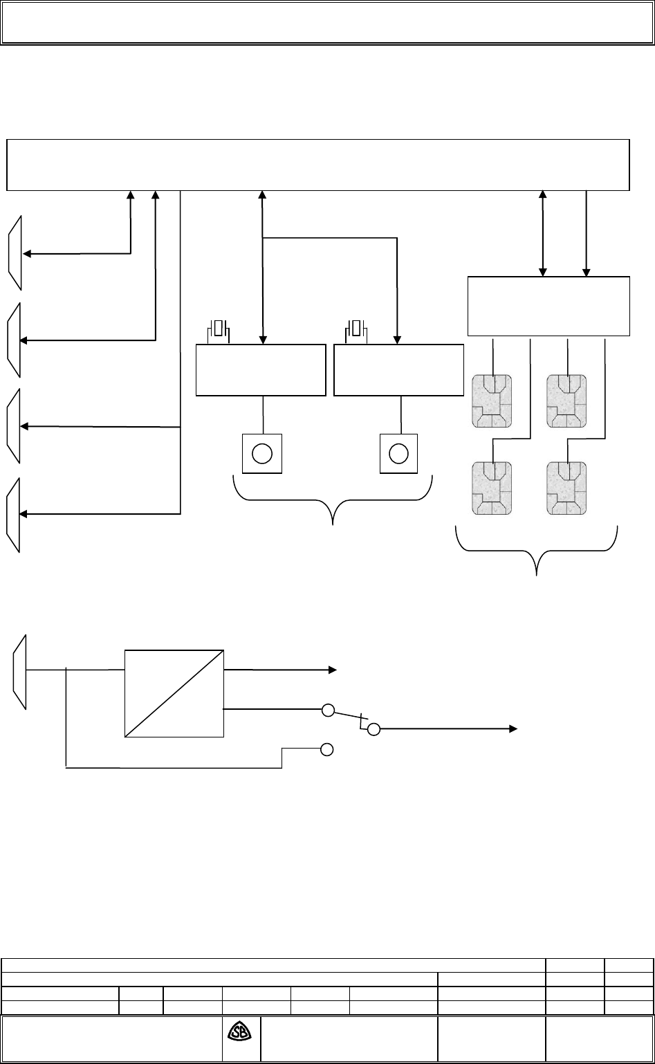
Baseboard 03 51634 0
DATA / CONTROL
IIC
USB 1.1
LED / BUZZER
LED / BUZZER
RS232
connector from CPU Modul
AT83C26
SAM sockets
50 Ohm Antenna
ISO 14443 Type A / B
8V..12V
3.3V
5V int.
VV
DC
DC
5V exten
MFRC 531
5V
V
V
MFRC 531
13,56 MHz
13,56 MHz
20MHz








