- Scytek Electronics Inc. Automobile Alarm User Manual

Page 20 - Astra 777
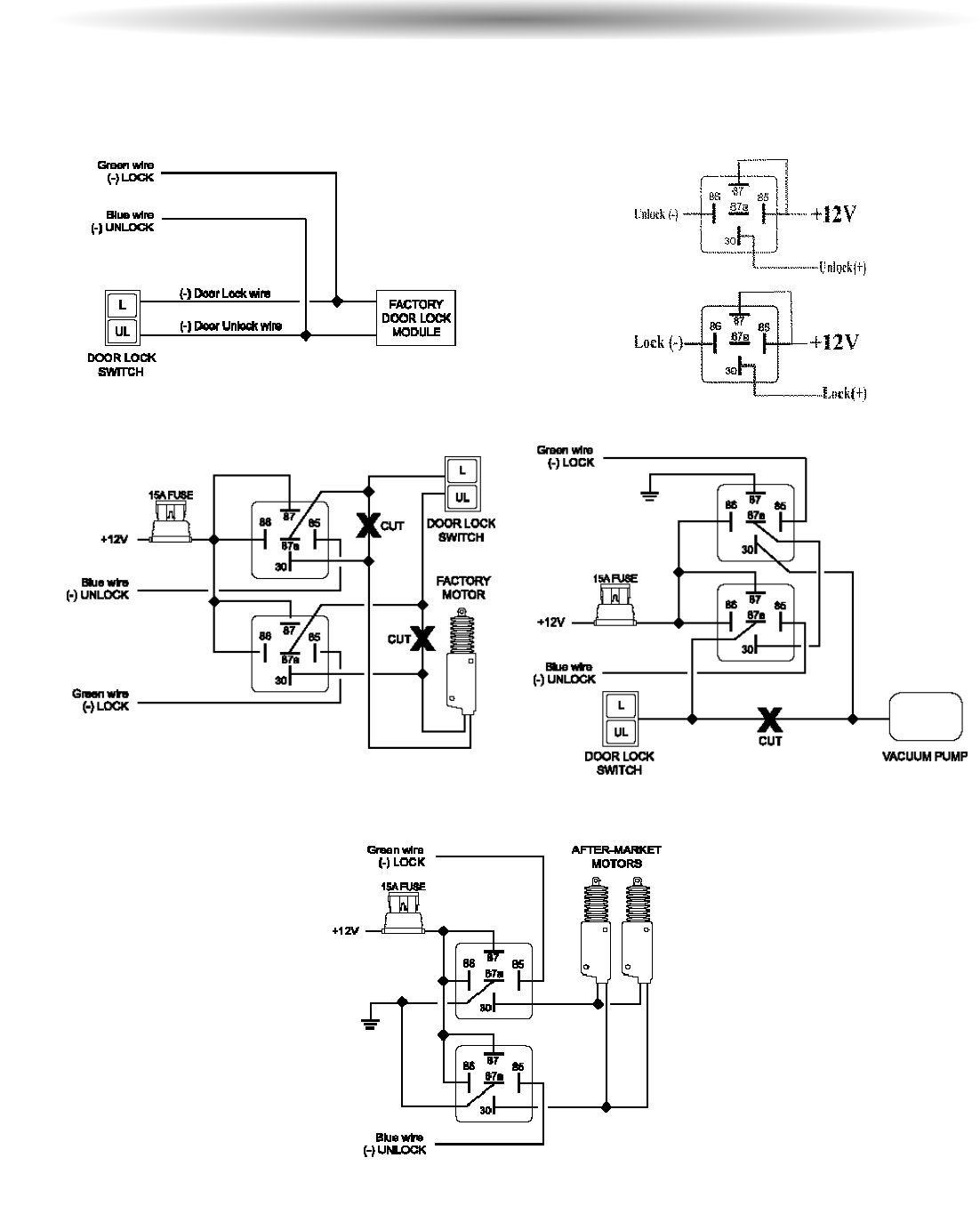
Follow the diagrams below for connecting basic door lock systems. For Two Stage door lock
systems (separately unlocks driver and passenger doors) see following pages.
Door
Lock
Diagrams
Negative Trigger
Positive Trigger
Reverse Polarity Vacuum
Adding Actuators