User guide

Astra 777 - Page 21
Two
Stage
Door
Lock
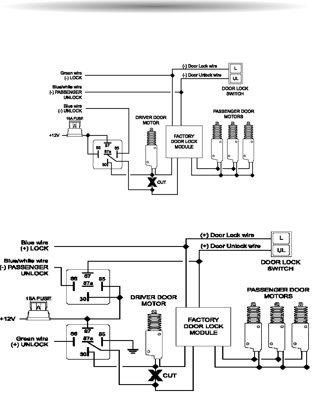
Diagrams
The Astra 777 is equipped with a dedicated Passenger Unlock output allowing Two Stage Door
Lock operation. When connected as shown below, disarming the system will unlock only the
driver’s door. Pressing the disarm button again will unlock all doors.
Two Stage Negative Trigger
Two Stage Positive Trigger
From Inverter or Relay
From Inverter or
Relay










