Instruction Manual

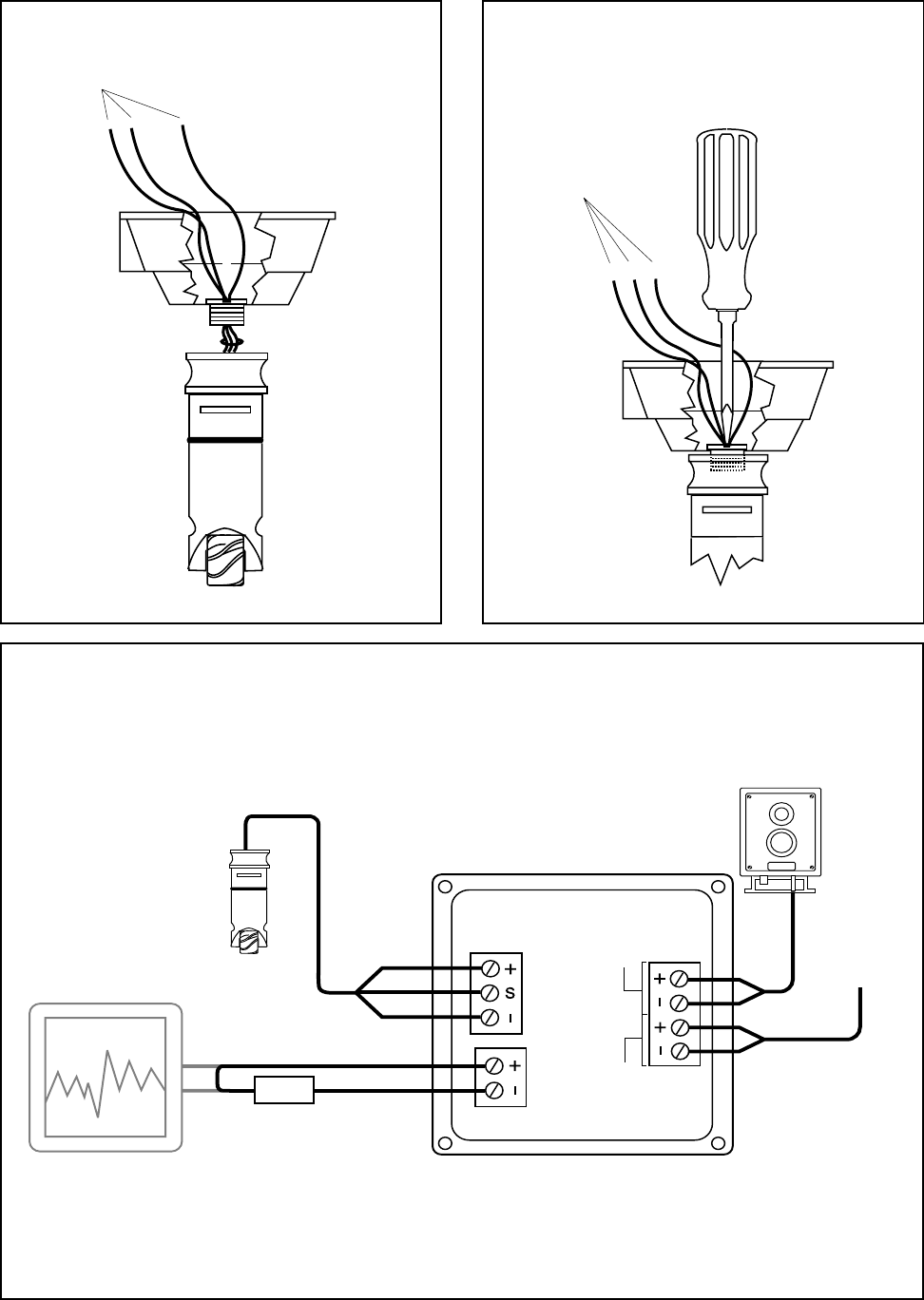
Sensor Mount: Step 1
Sensor Mount: Step 2
Sensor Wires
Sensor Wires
3 of 4
Standard Connections
To Other
Control
Pulse Responsive
Metering Pump
PULSE
SCALED
PULSE
PASSTHRU
-
+
-
+
12-30 VDC
Loop Power,
4-20 mA Output
POWER
4-20 mA
Red
White
Black
SENSOR
INPUT
TX81
Flow Sensor
Optional Chart
Recorder or Other
4-20 mA Device
ARCHIVED




