User Manual

Table Of Contents
Seed Hawk Manual Tool Bar Page 57
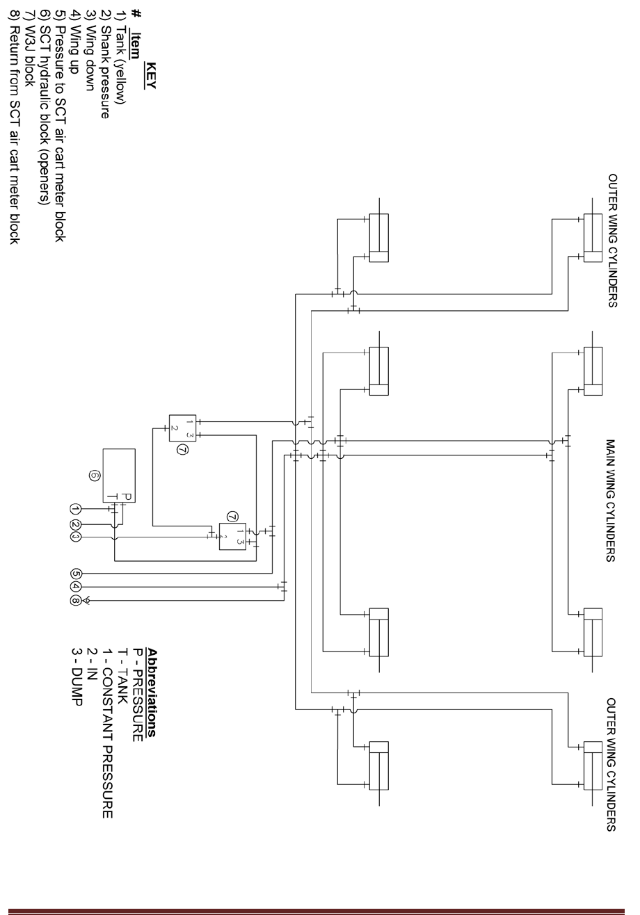
9.7 XL SERIES 5 PLEX SCT HYDRAULICS (TBT) (2012)