User Manual

Table Of Contents
Seed Hawk Manual Tool Bar Page 58
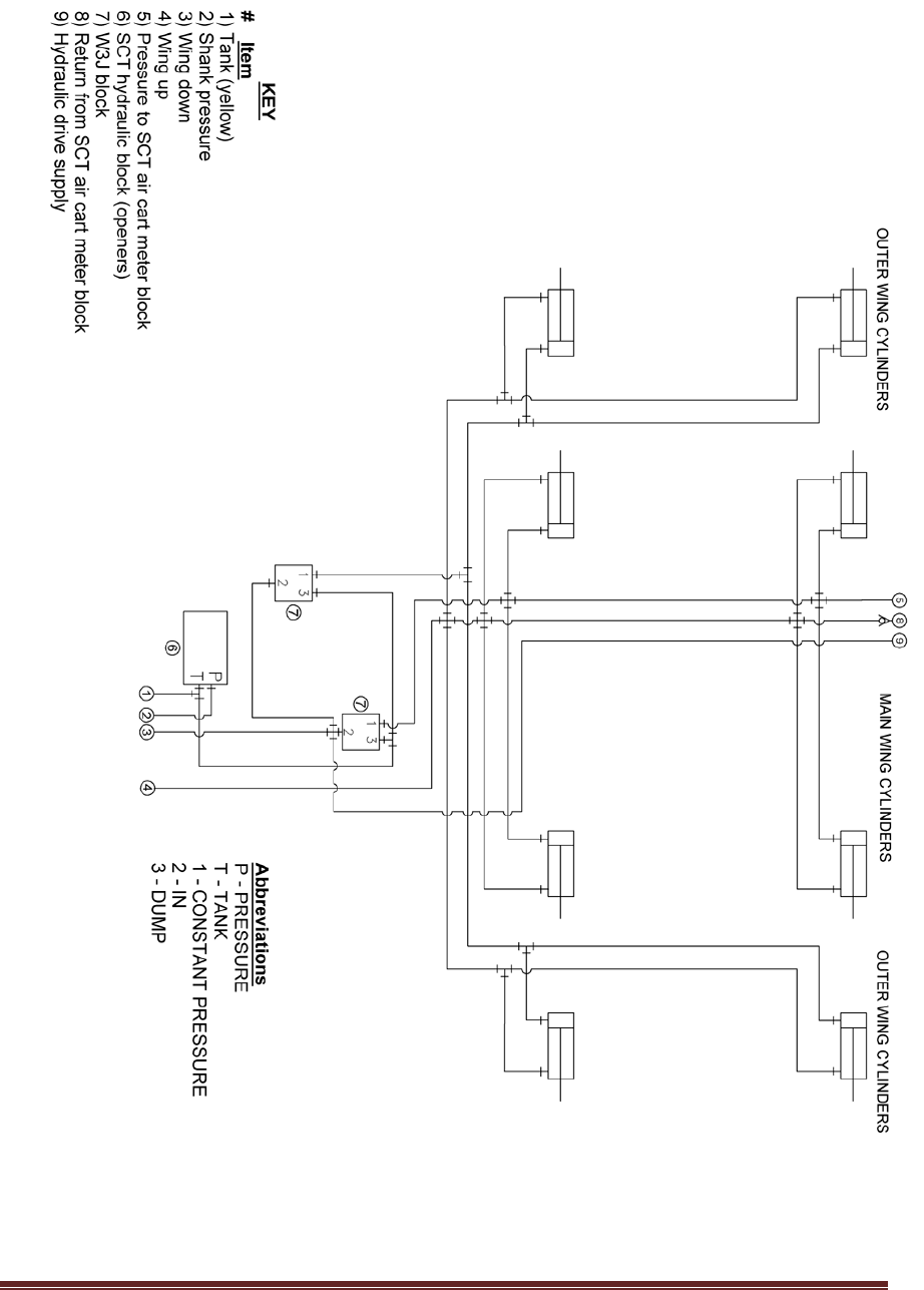
9.8 XL SERIES 5 PLEX SCT HYDRAULICS (TBH) (2012)