User Manual

Table Of Contents
Seed Hawk Manual Tool Bar Page 62
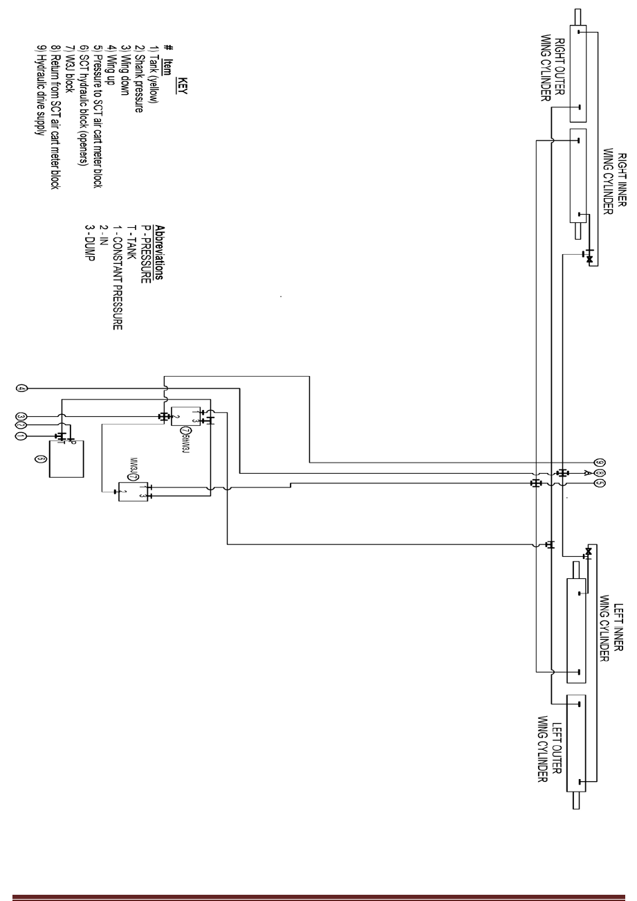
9.12 50’/60’ 45 SERIES SCT HYDRAULICS (TBH) (2012)