User Manual

Table Of Contents
Seed Hawk Manual Tool Bar Page 63
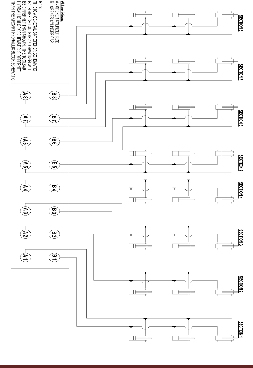
9.13 OPENER HYDRAULICS FOR SCT TOOLBARS (2012)