User Manual

Table Of Contents
Seed Hawk Manual Tool Bar Page 64
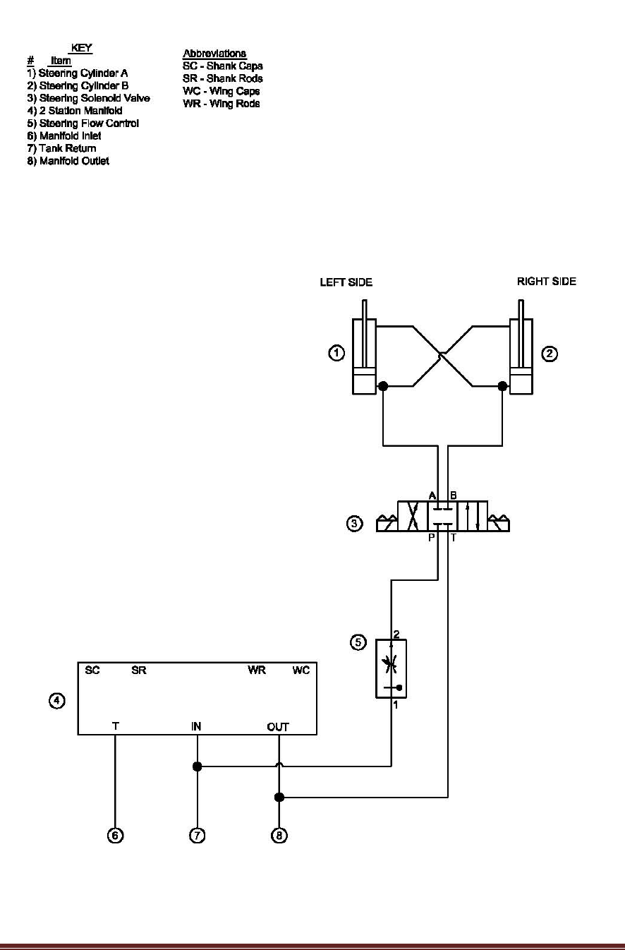
9.14 SEED BETWEEN ROW HYDRAULICS