User`s manual
Table Of Contents
- Safety Precautions
- Table of contents
- Chapter 1: Outline
- 1-1 Features
- 1-2 Controller
- 1-3 Measurement program
- [1] Positional deviation measurement
- [2] Degree of match inspection
- [3] Lead inspection
- [4] BGA/CSP inspection (IV-S32M/S33M)
- [5] Area measurement by binary conversion
- [6] Object counting by binary conversion
- [7] Object identification by binary conversion
- [8] Point measurements
- [9] Distance and angle measurement
- [10] Multiple position measurement (IV-S33M)
- [11] Multiple degree of match inspection (IV-S33M)
- Chapter 2 : Precautions for Use
- Chapter 3 : System Configuration
- Chapter 4 : Part Names and Functions
- Chapter 5 : Connection and Installation Methods
- Chapter 6 : Setting and Operating Outlines
- Chapter 7 : Simplified Menu Operation
- 7-1 Operation screen
- 7-2 Image display
- 7-3 Setting functions that are different with each controller
- 7-4 Setting procedures
- 7-5 Setting the operation conditions
- 7-6 Setting object types
- 7-7 Setting the shutter speed
- 7-8 Setting the positioning conditions
- 7-9 Setting the existence inspection conditions
- 7-10 Measurement triggering
- 7-11 Saving data
- 7-12 Specify the system conditions
- Chapter 8 : Specifications
- Chapter 9 : Operation Examples
- Glossary
- Appendix
- Alphabetical Index

9-5
9
Operation Examples (Simplified menu: Positioning measurement)
Continued from the previous page
(*2)
Press the TRG/BRT key, and the result of measuring (evaluating) and image (search) area will be displayed.
(8) Mesuring the position
*1 The final evaluation result will be displayed as "OK" in the upper left corner of the screen when all of the
items have been evaluated acceptable.
If there is a single unacceptable item, "NG" will be displayed.
*2 "M0 +09620" means that the degree of match (percentage of pixels that match) between pixels in the
stored image and the measured image is 96.20%.
[The acceptance and rejection criteria based on the degree of match]
In order to evaluate acceptability based on the degree of match, first an image of a good specimen is
stored for reference. Then, an image of defective specimen is compared for degree of match. Finally an
image of another good specimen is compared. These comparisons establish the degree of match to be
used for setting the limits used for working comparisons.
For example, the degree of match for a non-defective object is 90% or more and that for a defective
object is 70% or less, then the threshold value for degree of match can be set to approx. 85%. This
allows the evaluation acceptability to be made.
*3 Although the specified data is temporarily stored in RAM memory, it is not stored in the flash memory.
So, you must save the data manually using the save operation. If you do not save the data in the flash
memory, it will be deleted when the IV-S30 controller is turned OFF. - See page 7-26.
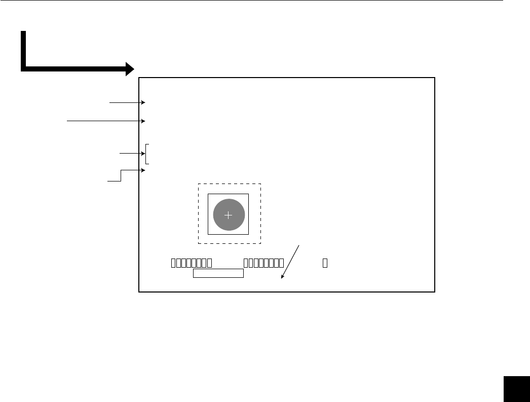
[Display of the measured
result]
Final evaluation result (*1)
Measuring time
Detection coordinates of the
reference image
Degree of match of the
reference image
F.IMG C1 L
VX.XX
(TYPE00)
OK
MEAS XXXXms 2000-08-01 10:30
MEASURE0 CAM1 POSITIONING
CHG-TYPE
POSI-COND
POSI-EVAL.
OPS-CND
SYS-CND
ADJ-CONTRAST
SAVE
SHUTTER
X0~7Y0~7 READY
X0=253.0 OK
Y0=220.0 OK
M0=+09620 OK
*3










