User`s manual
Table Of Contents
- Safety Precautions
- Table of contents
- Chapter 1: Outline
- 1-1 Features
- 1-2 Controller
- 1-3 Measurement program
- [1] Positional deviation measurement
- [2] Degree of match inspection
- [3] Lead inspection
- [4] BGA/CSP inspection (IV-S32M/S33M)
- [5] Area measurement by binary conversion
- [6] Object counting by binary conversion
- [7] Object identification by binary conversion
- [8] Point measurements
- [9] Distance and angle measurement
- [10] Multiple position measurement (IV-S33M)
- [11] Multiple degree of match inspection (IV-S33M)
- Chapter 2 : Precautions for Use
- Chapter 3 : System Configuration
- Chapter 4 : Part Names and Functions
- Chapter 5 : Connection and Installation Methods
- Chapter 6 : Setting and Operating Outlines
- Chapter 7 : Simplified Menu Operation
- 7-1 Operation screen
- 7-2 Image display
- 7-3 Setting functions that are different with each controller
- 7-4 Setting procedures
- 7-5 Setting the operation conditions
- 7-6 Setting object types
- 7-7 Setting the shutter speed
- 7-8 Setting the positioning conditions
- 7-9 Setting the existence inspection conditions
- 7-10 Measurement triggering
- 7-11 Saving data
- 7-12 Specify the system conditions
- Chapter 8 : Specifications
- Chapter 9 : Operation Examples
- Glossary
- Appendix
- Alphabetical Index

5-25
Connection and Installation Methods
5
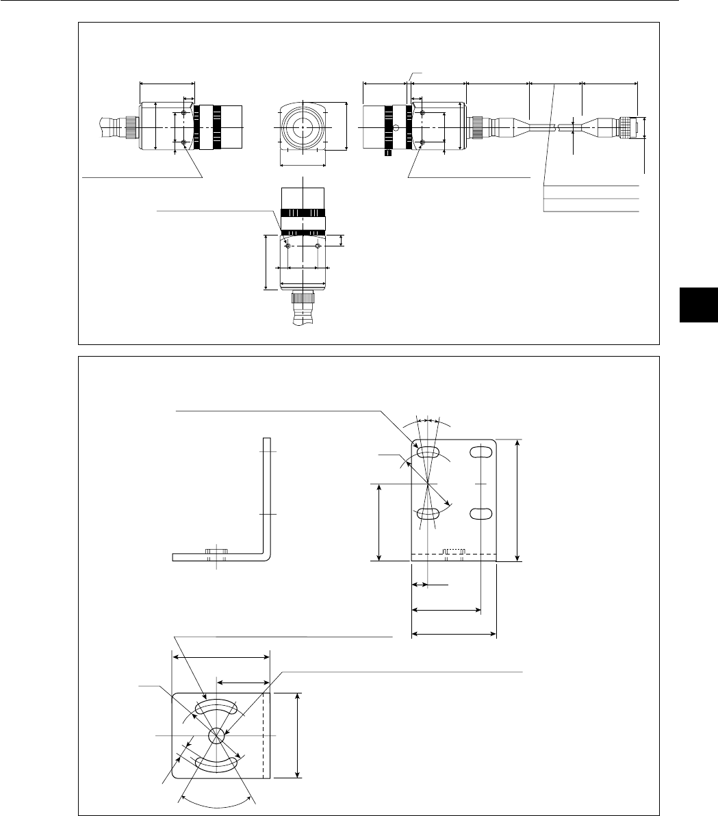
- External dimensions of camera angle bracket
28
22.5
5.5
39
31
17
10°10°
60°
20
20
3.2
28
25
1/4-20 UNC threaded hole
(for attachment to the mounting surface)
2 slotted holes 3.2 mm wide
(for attachment to the mounting surface)
4 slotted holes wide
(for securing on the camera body)
(Unit: mm)
- External dimensions when the IV-S20L16 camera lens and IV-S30KC3/KC5/KC7 camera
cable are connected to the IV-S30C1/C3.
30
28.5
∼
34
3
37 43
20
*
32
5
7
43
32
20
30
55
φ7
φ14.7
37
20
*
32
5
7
37
7
IV-S30KC3:3000
IV-S30KC5:5000
IV-S30KC7:7000
(Unit: mm)
2 M3 tapped holes
2 M3 tapped holes
2 M3 tapped holes
*1 Attach the camera angle bracket to one of the
tapped M3 holes 20 mm mounting pitch (3
places).
*2 The IV-S30KC7 cannot be connected to the IV-
S30C3.
*2
*1










