User`s manual
Table Of Contents
- Safety Precautions
- Table of contents
- Chapter 1: Outline
- 1-1 Features
- 1-2 Controller
- 1-3 Measurement program
- [1] Positional deviation measurement
- [2] Degree of match inspection
- [3] Lead inspection
- [4] BGA/CSP inspection (IV-S32M/S33M)
- [5] Area measurement by binary conversion
- [6] Object counting by binary conversion
- [7] Object identification by binary conversion
- [8] Point measurements
- [9] Distance and angle measurement
- [10] Multiple position measurement (IV-S33M)
- [11] Multiple degree of match inspection (IV-S33M)
- Chapter 2 : Precautions for Use
- Chapter 3 : System Configuration
- Chapter 4 : Part Names and Functions
- Chapter 5 : Connection and Installation Methods
- Chapter 6 : Setting and Operating Outlines
- Chapter 7 : Simplified Menu Operation
- 7-1 Operation screen
- 7-2 Image display
- 7-3 Setting functions that are different with each controller
- 7-4 Setting procedures
- 7-5 Setting the operation conditions
- 7-6 Setting object types
- 7-7 Setting the shutter speed
- 7-8 Setting the positioning conditions
- 7-9 Setting the existence inspection conditions
- 7-10 Measurement triggering
- 7-11 Saving data
- 7-12 Specify the system conditions
- Chapter 8 : Specifications
- Chapter 9 : Operation Examples
- Glossary
- Appendix
- Alphabetical Index

6-9
Setting and Operating Outlines
6
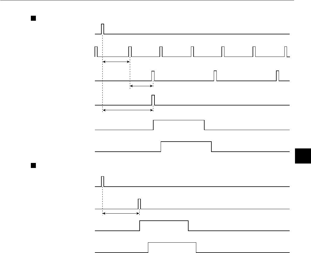
3 Timing chart
Internal synchronization
External synchronization
Note: When an EIA camera is used, the last (lowest) line (line 479) may not be captured
successfully due to some camera’s characteristics.
Exposure time
Wait for monitor to output vertical synchronization signal (maximum 16.6 ms)
Wait time (maximum 49.9 ms)
Waiting for camera to read the top line (maximum 33.3 ms)
Trigger input
Shutter open
Trigger input
Shutter open
Monitor output
vertical
synchronization
Camera
reading top line
Image data transfer
(VRAM→SDRAM)
Image data
transfer
(CCD→VRAM)
Image data transfer
(CCD→VRAM)
Image data transfer
(VRAM→SDRAM)










