Operating instructions
Table Of Contents
- 1 Introduction
- 2 General Description
- 3 Special Tools and Equipment
- 4 Disassembly
- 5 Cleaning, Repair and Replacement
- 6 Inspection
- Definitions
- Magnetic Particle Inspection
- Critical New Part Dimensions
- Fluorescent Particle Inspection
- Dimensional Inspection
- Protective Coatings
- Crankcase Inspection
- Crankshaft Inspection
- Camshaft Inspection
- Connecting Rod Inspection
- Gear Inspection
- Piston Inspection
- Cylinder Inspection
- Inspection Chart
- Crankcase Stud Heights
- Mag Particle Inspection Procedures
- Table of Limits
- Torque Specifications
- General Torques
- Table of Limits Chart
- 7 Assembly of Subassemblies
- 8 Final Assembly and Test
- 9 IO-520-M
- 10 IO-520-BB, CB and MB

8-15
8-32. FINAL PARTS.
a. Install gaskets and covers on mount pads behind
magneto drive gears and attach with four sets of plain
washers, lockwashers and nuts.
8-33. TESTING AFTER OVERHAUL.
8-34. TEST STAND. After each major overhaul,
engine performance should be tested and new parts
run-in while the engine is mounted on a rigid test
stand, preferably enclosed in cell of such design that
recirculating air is held to a minimum. The engine
stand should be constructed in such a way as to permit
accessibility to all engine line and instrument
connections and to permit frequent inspection of all
points of possible leakage. All tubes, wires, rods and
cables used to connect instruments and controls
should be well supported, yet of sufficient flexibility
to permit them to be moved out of the way during
installation and removal of the engine.
NOTE
When necessary, the airframe can be
considered a suitable test stand for
running, in overhauled engines
contingent on use of a test propeller and
equipped with a suitable shroud or scoop
to gather and direct cooling air over the
cylinders. Engine must be equipped with
cylinder head pickups on all cylinders
and other instrumentation as needed.
8-35. TEST EQUIPMENT.
8-36. TEST CLUB. Unless a dynamometer is used
to apply controlled loads to the crankshaft, it will be
necessary to install a wood test club such as those
supplied by the Hartzell Propeller Fan Co., Piqua,
Ohio. Test clubs are customarily supplied in standard
diameters, so that the blade length must be reduced by
the "cut and try" method until the club will absorb the
BHP at the RPM specified in Table XVI for model on
test, when used in the cell, stand and engine
combination for which it was calibrated.
8-37. COOLING AIR SCOOP. In warm climates it
will probably be necessary to construct a scoop of
heavy-gauge sheet metal to fit over the tops of all
cylinders, with pads to seal it to the rear cylinder and
to all valve rocker covers, in order to direct an
adequate flow of air downward through the cylinder
fins. Vanes may be found necessary to direct a
portion of the cooling air to the center cylinder and/or
the oil cooler, therefore, the temperatures of all
cylinder heads should be measured until uniformity
within 50° F. has been obtained between coolest and
hottest cylinder. It is advisable to provide a duct from
the cylinder scoop to the generator or alternator vent
tube or to provide a separate scoop for it.
8-38. INDUCTION AIR INTAKE. An air filter and
housing should be attached to the air throttle body
inlet flange. The filter area must be sufficient to avoid
restriction of air flow. Always clean filter before each
test. Calculations of filter area should be based on
approximately 389 c.f.m. of air required by the engine
at full throttle and on the filter capacity per unit of
area. The calculated area of a clean filter should be
increased by at least 50% to allow for dirt
accumulation.
8-39. EXHAUST STACKS. For testing purposes
the exhaust back pressure should be zero. Short stacks
may be made locally to match the cylinder port
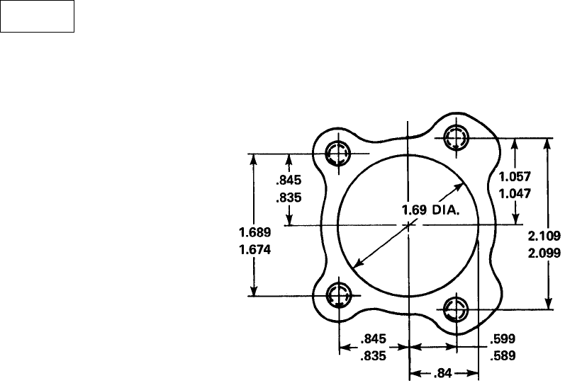
diameter and the flange stud dimensions shown in
applicable installation drawings. (See Figure 8-16.)
FIGURE 8-16. EXHAUST FLANGE DIMENSIONS.
8-40. CONTROLS. The only controls required are a
mixture control and throttle control capable of
operating the fuel control and metering shafts through
their complete ranges, and a standard twin magneto
switch connected to the magneto ground terminals.










