Operating instructions
Table Of Contents
- 1 Introduction
- 2 General Description
- 3 Special Tools and Equipment
- 4 Disassembly
- 5 Cleaning, Repair and Replacement
- 6 Inspection
- Definitions
- Magnetic Particle Inspection
- Critical New Part Dimensions
- Fluorescent Particle Inspection
- Dimensional Inspection
- Protective Coatings
- Crankcase Inspection
- Crankshaft Inspection
- Camshaft Inspection
- Connecting Rod Inspection
- Gear Inspection
- Piston Inspection
- Cylinder Inspection
- Inspection Chart
- Crankcase Stud Heights
- Mag Particle Inspection Procedures
- Table of Limits
- Torque Specifications
- General Torques
- Table of Limits Chart
- 7 Assembly of Subassemblies
- 8 Final Assembly and Test
- 9 IO-520-M
- 10 IO-520-BB, CB and MB

4-5
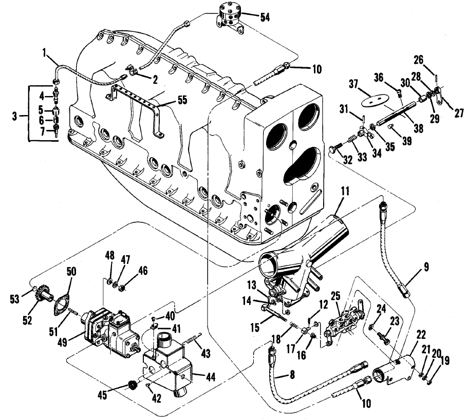
FIGURE 4-4. FUEL INJECTION SYSTEM (IO-520-D)
1. Tube Assembly 20. Washer, Lock 39. Pin
2. Clamp 21. Washer, Plain 40. Screw
3. Nozzle Assembly 22. Shroud 41. Nut
4. Nozzle 23. Bolt, Special 42. Screw
5. Shield, Dust 24. Washer, Tab 43. Spring
6. Screen 25. Control Assembly 44. Shroud Assy.
7. Jet 26. Pin 45. Grommet
8. Hose Assembly 27. Lever 46. Nut
9. Hose Assembly 28. Washer, Wave 47. Washer, Lock
10. Hose Assembly 29. Washer, Plain 48. Washer, Plain
11. Body Assembly 30. Bushing 49. Fuel Pump Assy.
12. Pin, Cotter 31. Pin 50. Gasket
13. Pin, Cotter 32. Screw 51. Coupling
14. Washer, Wave 33. Spring 52. Gear
15. Rod and Link Assy. 34. Lever 53. Plug
16. Nut, Elastic Stop 35. Washer 54. Valve Assembly
17. Rod, End, Special 36. Screw 55. Bracket
18. Spring, Compression 37. Plate
19. Nut, Plain, Hex 38. Shaft










