User manual
Manuals
Brands
Simaudio Manuals
Other
Stereo Amplifier Preamplifier and D/A converter
18
19
20
21
22
23
24
25
26
27
Table Of Contents
Owner’s Manual
Full Function Remote Control Operation
Full Function Remote Control Programming
Learning a New Command
Full Function Remote Control Programming
Erasing a Learned Command From a Button
Erasing All the Learned Commands in One Device Mode
Erasing All of the Learned Commands in All Device Modes
Full Function Remote Control Programming
Volume Punch Through
Programming a Macro Sequence
Full Function Remote Control Programming
Example for Programming a Macro Sequence
Basic Function Remote Control Operation
MOON Stargate Processor
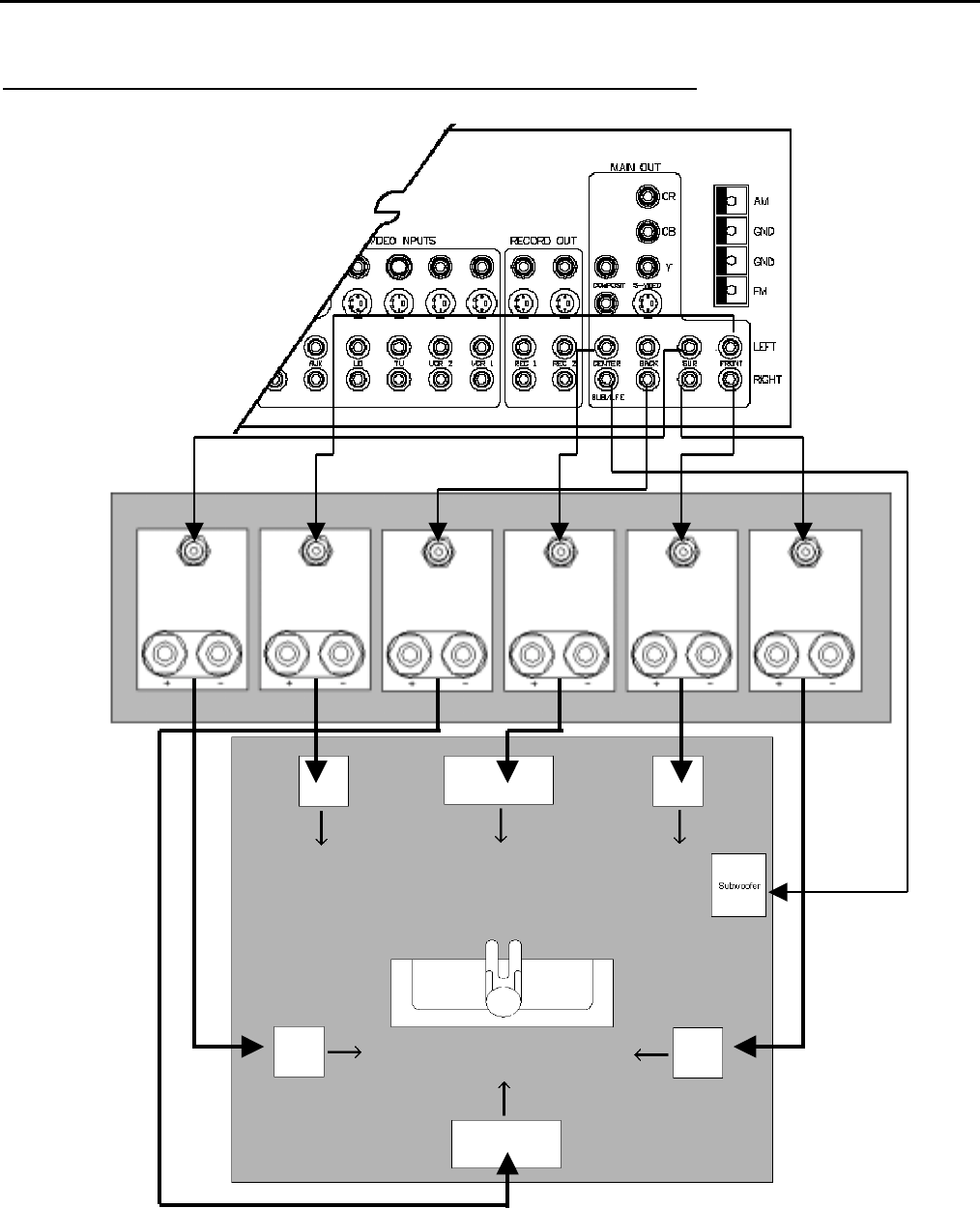
6.1 Speaker Setup & Configuration
Stargate rear panel
Power
Amplifier
Listening
Room
____________________________________________________________________________________
6.1 Speake
r Setup & Configuration
24
1
...
...
22
23
24
25
26
...
27