User Guide
Manuals
Brands
Snapper Manuals
Other
7085623
11
12
13
14
15
16
17
18
19
20
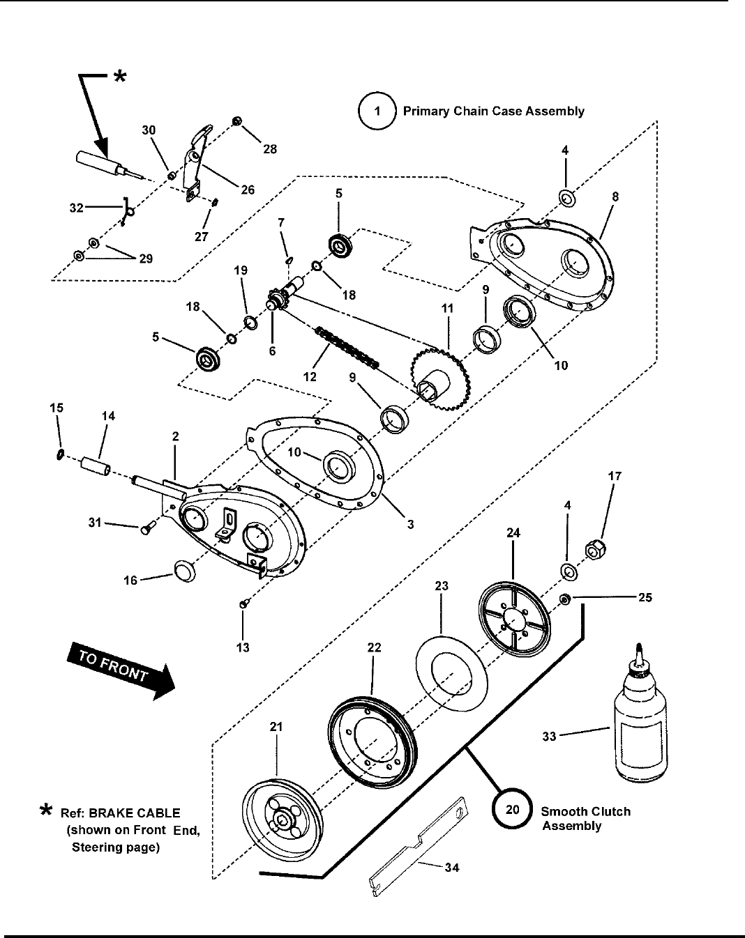
Primary Chain Case & Smooth
Clutch
Manual No.
7006278
30" STANDARD DECK
SERIES 23
16
Not for
Reproduction
1
...
...
14
15
16
17
18
...
...
56