User Guide
Manuals
Brands
Snapper Manuals
Other
7085623
31
32
33
34
35
36
37
38
39
40
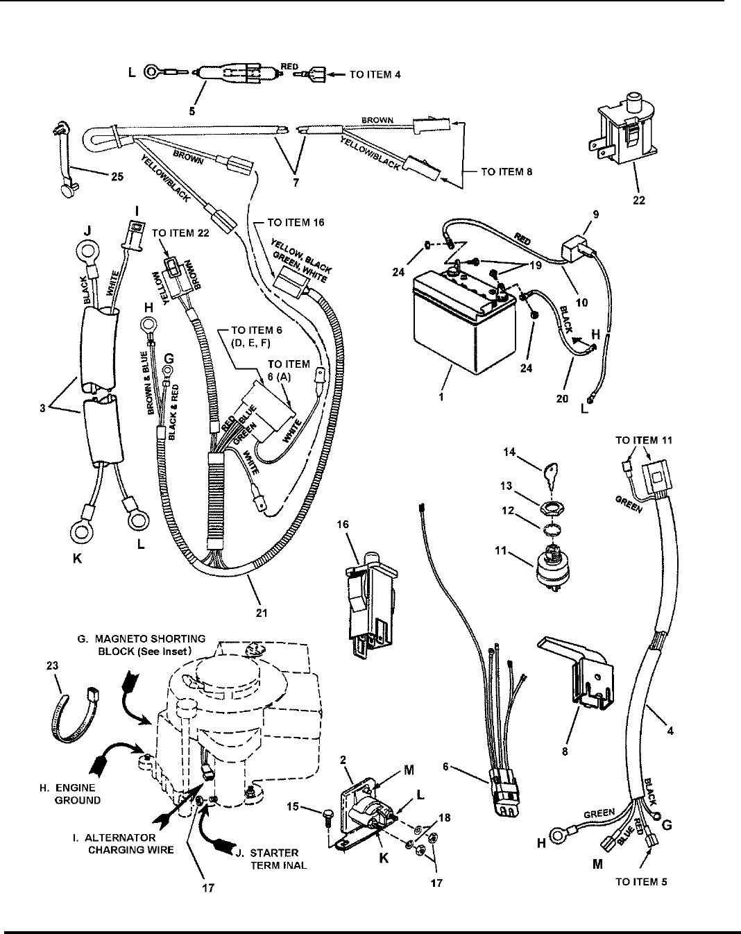
Electrical System (10, 11 & 12.5HP Briggs)
Manual No.
7006278
30" STANDARD DECK
SERIES 23
40
Not for
Reproduction
1
...
...
38
39
40
41
42
...
...
56