CAD 2D (pdf)
Manuals
Brands
SOSS Manuals
Door Hinges
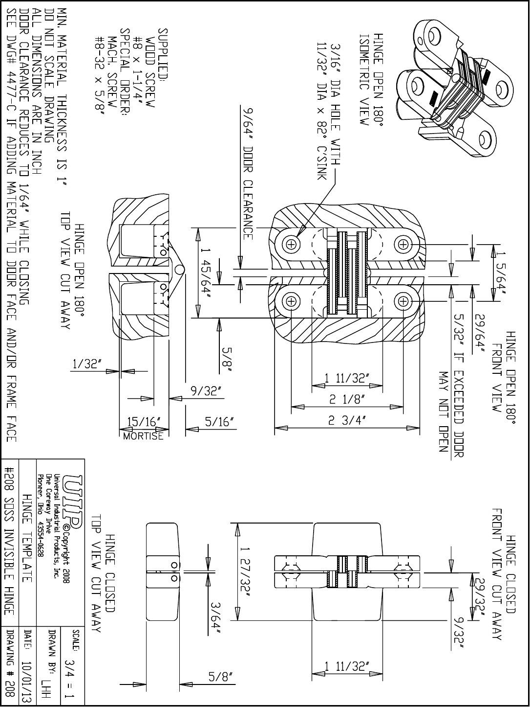
5/8 in. x 2-3/4 in. Satin Chrome Invisible Hinge
1
1
Summary of content (1 pages)
PAGE 1