Manual

-90-
For Machines Mfg. Since 5/11
14" TURN-X
®
Toolroom Lathe
ELECTRICAL
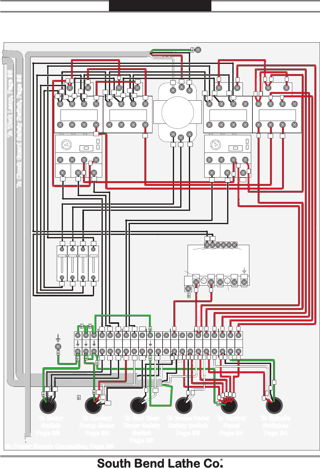
Electrical Cabinet Wiring
AMP
AB 193-T
RELAY
CONTACTOR
Allen Bradley
C09400
1 3 5 7L1 L2 L3 L4
2 T1 4 T2 6 T3
2 4 6 8T1 T2 T3 T4
97
0.3
0.4
0.35
0.25
98 NCNO 95 96
CONTACTOR
Allen Bradley
C09400
1 3 5 7L1 L2 L3 L4
2 4 6 8T1 T2 T3 T4
AMP
AB 193-T
RELAY
CONTACTOR
Allen Bradley
C1601
1 3 5L1 L2 L3
2 T1 4 T2 6 T3
2 4 6 22T1 T2 T3 NC
97 98 NCNO 95 96
CONTACTOR
Allen Bradley
C1601
1 3 5L1 L2 L3
2 4 6T1 T2 T3
6
1 5
3
1
1492 SP
1492 SP
1492 SP
1492 SP
2
3
4
5
6
1
2
4
2
MASTER
POWER
SWITCH
X
X
X
X
0 24
FUSE
4A 250V
FUSE
500MA 250V
0 220
0 220 380 400 415 440
TRANSFORMER
Suenn Liang
SP-TBSW-10140
7
6
5
4
3
2
1
0
A1
W1
V1
U1
R1
S1
8
T1
L3L2
Ground
33
3
32
2
2
2
1
1
10
0
0
3
3
4
4
4
4
4
5
5
5
6
6
6
6
6
7
7
7
8
3
3
33
3
3
3
3 5
5 5
6 7
8
3
4
8
8
0
0
L1L3
L2
L1
L1
L3 L1
L1
L3
L2
L1
L3
L3
L3
L2
L2
L1
L1
L1
L3
L3
L3
L3
L2
L2
L2
L2
L1
L1
L1
L1
R1 S1 U1 V1 W1
U1
V1
11
11
10
10
W1
T1
R1 S1
T1
R1
R1
S1
S1
U1
U1
V1
V1
W1
W1
A1
A1
T1
T1
3
3
12
12
13
13
17.5
21.5
19
Ground
22 NC
22 NC 22 NC
To Work Lamp, Page 95
To Chuck Guard Safety Switch, Page 95
To Power Supply Connection, Page 95
To Motor
Switch
Page 93
To Coolant
Pump Motor
Page 92
To End Gear
Cover Safety
Switch
Page 95
To Brake Pedal
Safety Switch
Page 95
To Control
Panel
Page 94
To Spindle
Switches
Page 94