Data Sheet

PAM2401
Document number: DS37285 Rev. 1 - 2
2 of 10
www.diodes.com
May 2014
© Diodes Incorporated
PAM2401
NEW PRODUCT
A
Product Line o
f
Diodes Incorporated
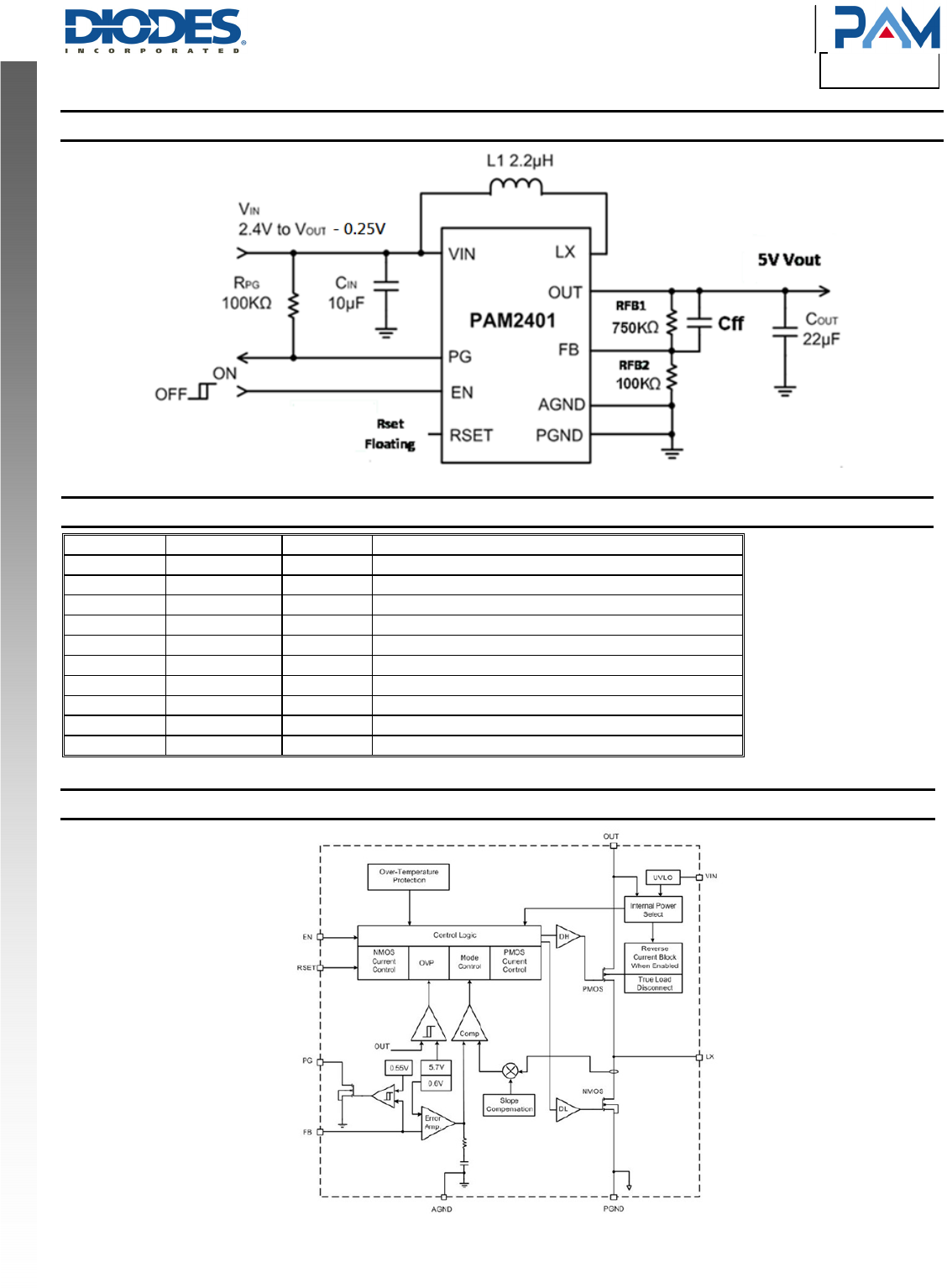
Typical Applications Circuit
Pin Descriptions
MSOP-8 U-DFN3030-12 Name Function
1 1,2 LX Switch Pin
2 3 EN Enables Control Input.
3 4 VIN Input Voltage Pin
-- 5 PG Power Good Indicator Pin, Open Drain Output
4 6 AGND Analog Ground
5 7 FB Feedback Pin Internally Set to 0.6V.
6 8 RSET Current Limit Setting
7 9,10 OUT Output Pin
8 11,12 PGND Power Ground
Exposed Pad EP Thermal Pad of the Package. Can Be Connected to PGND
Functional Block Diagram










