Instruction Manual

Version:A/0 Page 8 of 18
Spire Corp.
Http://www.spirepower.com & Http://www.spirecoolers.com
Http://www.spire-corp.com
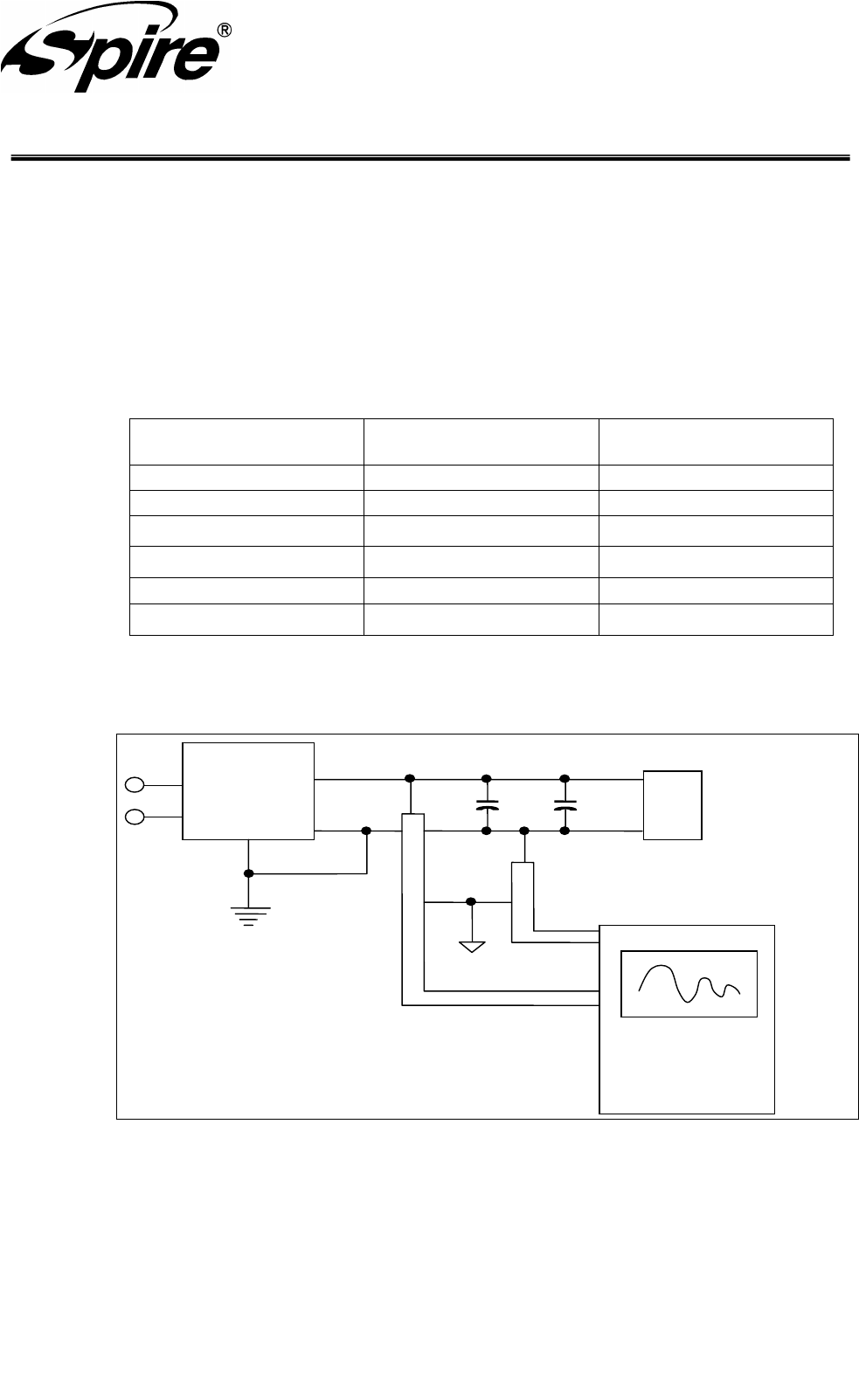
2.2.6 Output Ripple/Noise
The output ripple/noise requirements listed in Table 5 should be met
throughout the load ranges specified and under all input voltage conditions as
specified. Ripple and noise are defined as periodic or random signals over a
frequency band of 10 Hz to 20MHz. Measurements shall be made with an
oscilloscope with 20 MHZ bandwidth. Outputs should be bypassed at the
connector with a 0.1μF ceramic disk capacitor and a 10μF electrolytic capacitor
to simulate system loading. See Figure1.
Figure1. Differential Noise Test Setup
Power Supply
Gene ral Notes:
1.Load the output with its minimum load current.
2.Connect the probes as shown.
3.Repeat the measurement with maximum load on the output.
AC Ground
V out
V return
Load
Scope
10
μ F
0.1
μ
F
Loa d must be
isolat
ed from the
ground of the
power supply
AC Ho
t
AC Neutral
Table 5. DC Output Ripple/Noise
Output Max.Ripple& Noise Units
+12 V1DC 120 mV
+12 V2DC 120 mV
+5 VDC 50 mV
+3.3 VDC 50 mV
-12 VDC 120 mV
+5 VSB 50 mV