Datasheet

L4977A
7A SWITCHING REGULATOR
7A OUTPUT CURRENT
5.1V TO 40V OUTPUT VOLTAGE RANGE
0 TO 90% DUTY CYCLE RANGE
INTERNAL FEED-FORWARD LINE REGULA-
TION
INTERNAL CURRENT LIMITING
PRECISE 5.1V
±
2% ON CHIP REFERENCE
RESET AND POWER FAIL FUNCTIONS
SOFT START
INPUT/OUTPUT SYNC PIN
UNDER VOLTAGE LOCK OUT WITH HYS-
TERETIC TURN-ON
PWM LATCH FOR SINGLE PULSE PER PE-
RIOD
VERY HIGH EFFICIENCY
SWITCHING FREQUENCY UP TO 500KHz
THERMAL SHUTDOWN
CONTINUOUS MODE OPERATION
DESCRIPTION
The L4977A is a stepdown monolithic power
switching regulator delivering 7A at a voltage vari-
able from 5.1 to 40V.
Realized with BCD mixed technology, the device
uses a DMOS output transistor to obtain very high
efficiency and very fast switching times. Features
of the L4977A include reset and power fail for mi-
croprocessors, feed forward line regulation, soft
start, limiting current and thermal protection. The
device is mounted in a 15-lead multiwatt plastic
power package and requires few external compo-
nents. Efficient operation at switching frequencies
up to 500KHz allows reduction in the size and
cost of external filter components.
This is advanced information on a new product now in development or undergoing evaluation. Details are subject to change without notice.
June 2000
®
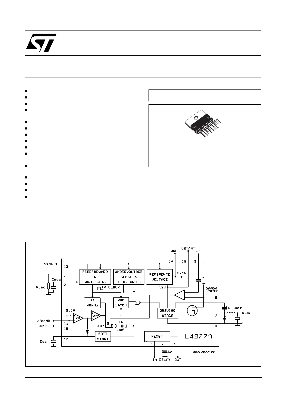
BLOCK DIAGRAM
Multiwatt15V
ORDERING NUMBER:
L4977A
MULTIPOWER BCD TECHNOLOGY
1/21










