Datasheet

Table Of Contents
STM32F105xx, STM32F107xx Electrical characteristics
Doc ID 15274 Rev 6 33/104
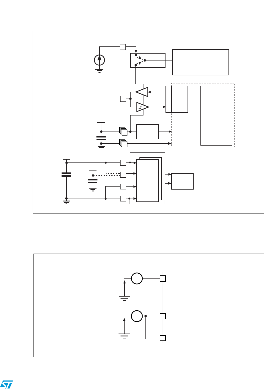
5.1.6 Power supply scheme
Figure 8. Power supply scheme
Caution: In Figure 8, the 4.7 µF capacitor must be connected to V
DD3
.
5.1.7 Current consumption measurement
Figure 9. Current consumption measurement scheme
ai14125d
V
DD
1/2/3/4/5
Analog:
RCs, PLL,
...
Power switch
V
BAT
GP I/Os
OUT
IN
Kernel logic
(CPU,
Digital
& Memories)
Backup circuitry
(OSC32K,RTC,
Backup registers)
Wake-up logic
5 × 100 nF
+ 1 × 4.7 µF
1.8-3.6V
Regulator
V
SS
1/2/3/4/5
V
DDA
V
REF+
V
REF-
V
SSA
ADC/
DAC
Level shifter
IO
Logic
V
DD
10 nF
+ 1 µF
V
REF
10 nF
+ 1 µF
V
DD
ai14126
V
BAT
V
DD
V
DDA
I
DD
_V
BAT
I
DD