User's Manual (1.0b)

G-13
Appendix G SAS3-216EL Backplane Specications
DESIGNED IN USA
BPN-SAS3-216EL REV:1.00
WWN ADDRESS
BAR CODE
A1
A2
CG1
CG2
B1
B2
C1
C2
CG3
M8
M7
O8
N8
N7
P8
P7
O7
CG5
CG4
1
2
3
A
1
E
5
H
5
1
AEH
14
13
12
11
2
24
22
12
11
22
12
11
2212
11
+
+
+
+
+
4
1
1
4
1
4
1
2
9
8
1
10
1
5
10
15
20
25
30
AK
AE
YRKEA
J9
L8
U3
C98
C99
C102
C103
C121
C165
C96
C12
C11
C162
C108
C191
C111
C119
CB120
U15
TP62
TP15
U37
L1
F1
C176
U27
U26
R11
R184
R40
R186R185R17
R15
R177
L7
L5
F2
C23
CT199
CS26
C207
C135
C128
C132 C133
CB31
CB71
CB81
CB91
C131
C76
C177
C122
FAN1
J10
J5
U8
U9
U2
JP3
J11
U4
U1
SDB
UART
MDIO
J9D
J9C
J9BJ9A
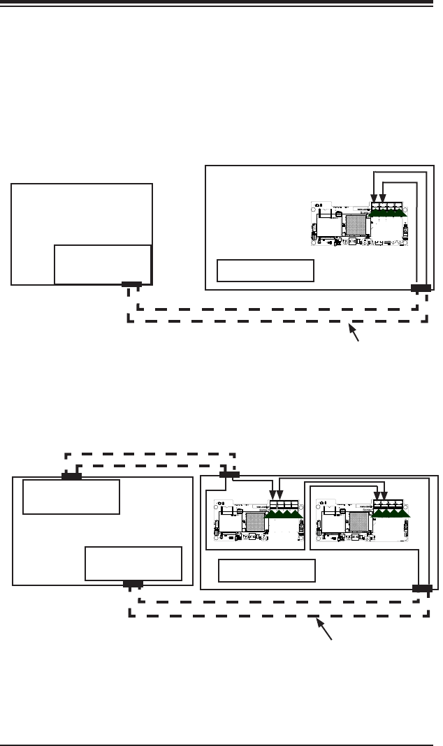
Connecting an External HBA to the Backplane
This backplane supports external host bus adapters. In this conguration, the HBA
and the backplane are in different physical chassis. This allows a JBOD (Just a
Bunch Of Drives) conguration from an existing system.
HBA
Power Card
HBA
Dual External Host Bus Adapter
CBL-SAST-0573
External Mini-SAS HD Cable
HBA
Power Card
CBL-SAST-0573
External Mini-SAS HD Cable
DESIGNED IN USA
BPN-SAS3-216EL REV:1.00
WWN ADDRESS
BAR CODE
A1
A2
CG1
CG2
B1
B2
C1
C2
CG3
M8
M7
O8
N8
N7
P8
P7
O7
CG5
CG4
1
2
3
A
1
E
5
H
5
1
AEH
14
13
12
11
2
24
22
12
11
22
12
11
2212
11
+
+
+
+
+
4
1
1
4
1
4
1
2
9
8
1
10
1
5
10
15
20
25
30
AK
AE
YRKEA
J9
L8
U3
C98
C99
C102
C103
C121
C165
C96
C12
C11
C162
C108
C191
C111
C119
CB120
U15
TP62
TP15
U37
L1
F1
C176
U27
U26
R11
R184
R40
R186R185R17
R15
R177
L7
L5
F2
C23
CT199
CS26
C207
C135
C128
C132 C133
CB31
CB71
CB81
CB91
C131
C76
C177
C122
FAN1
J10
J5
U8
U9
U2
JP3
J11
U4
U1
SDB
UART
MDIO
J9D
J9C
J9BJ9A
Figure G-13. Single External Host Adapter
Figure G-15. Dual External Host Bus Adapter
Single External Host Bus Adapter
DESIGNED IN USA
BPN-SAS3-216EL REV:1.00
WWN ADDRESS
BAR CODE
A1
A2
CG1
CG2
B1
B2
C1
C2
CG3
M8
M7
O8
N8
N7
P8
P7
O7
CG5
CG4
1
2
3
A
1
E
5
H
5
1
AEH
14
13
12
11
2
24
22
12
11
22
12
11
2212
11
+
+
+
+
+
4
1
1
4
1
4
1
2
9
8
1
10
1
5
10
15
20
25
30
AK
AE
YRKEA
J9
L8
U3
C98
C99
C102
C103
C121
C165
C96
C12
C11
C162
C108
C191
C111
C119
CB120
U15
TP62
TP15
U37
L1
F1
C176
U27
U26
R11
R184
R40
R186R185R17
R15
R177
L7
L5
F2
C23
CT199
CS26
C207
C135
C128
C132 C133
CB31
CB71
CB81
CB91
C131
C76
C177
C122
FAN1
J10
J5
U8
U9
U2
JP3
J11
U4
U1
SDB
UART
MDIO
J9D
J9C
J9BJ9A
IMPORTANT: See Section 3-3 of this manual, Failover with RAID Cards and Multiple
HBAs for important information on supported congurations.
J
9
A
J
9
B
J
9
C
J
9
D
J
9
A
J
9
B
J
9
C
J
9
D
J
9
A
J
9
B
J
9
C
J
9
D










