- SONY 8-bit Single-chip Microcomputer User Manual

– 6 –
CXP854P60
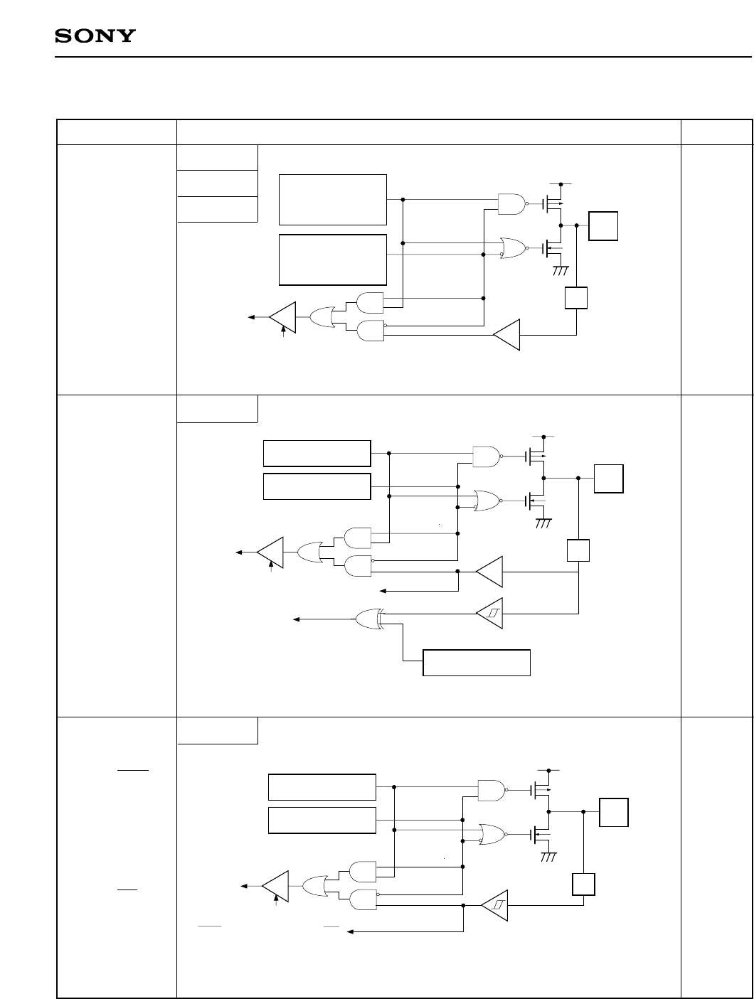
Data bus
RD
(Port A, B, C)
IP
Input protection
circuit
Port A data
Port B data
Port C data
Port A direction
Port B direction
Port C direction
Data bus
RD (Port A)
IP
Schmitt input
Port A direction
Port A data
Input protection
circuit
Input multiplexer
VSYNC
HSYNC
Data bus
RD (Port D)
IP
Port D direction
Port D data
Large current
source 12mA
INT2, SI, HS0, HS1, RMC, EC
Schmitt input
Pin Equivalent I/O Circuit
Port A
Port B
Port C
Port A
Port D
22 lines
2 lines
6 lines
Hi-Z
Hi-Z
Hi-Z
Pin
When reset
Circuit format
PA0 to PA5
PB0 to PB7
PC0 to PC7
PA6/VSYNC
PA7/HSYNC
PD0/INT2
PD3/SI
PD4/HS0
PD5/HS1
PD6/RMC
PD7/EC










