Specification

Symmons Industries, Inc. ■ 31 Brooks Drive ■ Braintree, MA 02184
(800) 796-6667, (781) 848-2250
■ Fax (800) 961-9621, (781) 664-1300
Website: www.symmons.com
■ Email: customerservice@symmons.com
©2009 Symmons Industries, Inc. Printed in U.S.A.
■ 081009 ■ ZV-815
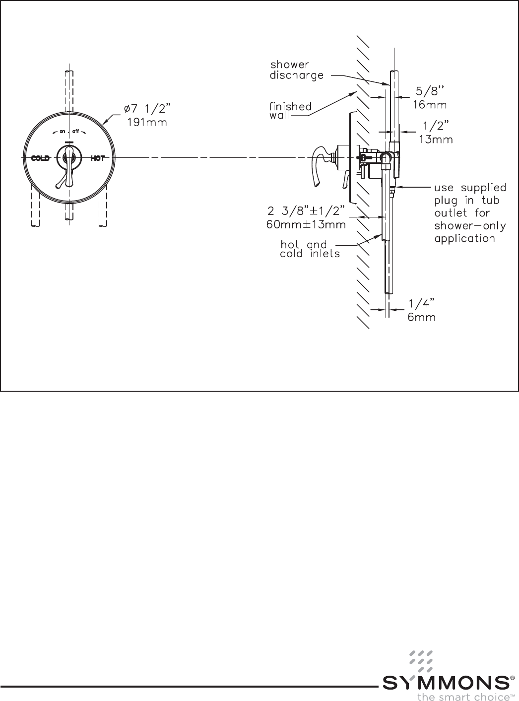
Dimensions Ballina Shower Valve System, S-5200
Note: Dimensions subject to change without notice.