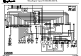
Wiring Diagram Topvex FC 02/04 HW/A 230V 1N~ HMI TR 24 AS1 UC K2 CP CP OD1 M SS ETS OS EFS PTE PTS VA BDO PDT1 PDT2 PDT3 WV OD2 SF FGS EF PT PT FGE HE FPS HW
Wiring Diagram HMI FR-FC TR 24 UC SM
Symbol description Wiring chart external accessories Topvex SR03-11, TR03-15, SC03-11, FR03-11, FC02-06, SX/C03-06, TX/C03-06 AS1 Automatic fuse 1 DB Damper bypass AS2 Automatic fuse 2 RCP Remote control panel TR24 Transformer 230/24V SF Supply air fan UC Corrigo controller EF Extract air fan K1 Contactor RM Rotor drive motor K2 Contactor RG Rotation guard K3 Contactor ELH Electrical heater SS Supply air sensor OT Overheating thermostat ETS Extract air sensor ET Emergenc
Symbol beskrivning Kopplingschema, externa tillbehör Topvex SR03-11, TR03-15, SC03-11, FR03-11, FC02-06, SX/C03-06, TX/C03-06 AS1 Automatsäkring 1 DB Bypass spjäll AS2 Automatsäkring 2 RCP Fjärrpanel TR24 Transformator 230/24V SF Tilluftsfläkt UC Corrigo styrenhet EF Frånluftsfläkt K1 Kontaktor RM Rotor motor K2 Kontaktor RG Rotationsvakt K3 Kontaktor ELH Elvärmare SS Tilluftsgivare OT Överhettningstermostat ETS Frånluftsgivare ET Katastroftermostat OS Uteluftsgivare
Symbolbeschreibung Schalttabelle für externes Zubehör Topvex SR03-11, TR03-15, SC03-11, FR03-11, FC02-06, SX/C03-06, TX/C03-06 AS1 Sicherungsautomat 1 DB Bypassklappe AS2 Sicherungsautomat 2 RCP Fernbedienungspanel TR24 Transformator 230/24V SF Zuluftventilator UC Corrigo-Regler EF Abluftventilator K1 Kontaktgeber RM Rotor-Antriebsmotor K2 Kontaktgeber RG Rotationswächter K3 Kontaktgeber ELH Elektroerhitzer SS Zuluftsensor OT Überhitzungsthermostat ETS Abluftsensor ET N
Описание символов Схема электрических соединений для дополнительного оснащения Topvex SR03-11, TR03-15, SC03-11, FR03-11, FC02-06, SX/C03-06, TX/C03-06 AS1 Автоматический предохранитель 1 DB Перепускной клапан AS2 Автоматический предохранитель 2 RCP Панель дистанционного управления TR24 Трансформатор 230/24 В SF Приточный вентилятор UC Контроллер Corrigo EF Вытяжной вентилятор K1 Контактор RM Приводной двигатель ротора Циркуляционный насос системы горячей воды Заслонка воздуховода на
Signification des symboles Schéma de câblage accessoires externes Topvex SR03-11, TR03-15, SC03-11, FR03-11, FC02-06, SX/C03-06, TX/C03-06 AS1 Fusible automatique 1 DB Registre de dérivation AS2 Fusible automatique 2 RCP Panneau de commande à distance TR24 Transformateur 230/24V SF Ventilateur air d'alimentation UC Contrôleur Corrigo EF Ventilateur air d'extraction K1 Contacteur RM Moteur d'entraînement de roue K2 Contacteur RG Détecteur de rotation K3 Contacteur ELH Batterie é