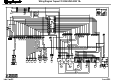
Wiring Diagram + chart Topvex FC02 04 HW A 230V 1N~ rev.D

PTSPTE
AS1
TR 24
K2
UC
M
BDO
Wiring Diagram Topvex FC 02/04 HW/A 230V 1N~
CPCP
OD1
OD2
PDT1
PDT2
FGEFGS
PDT3
HE
SF EF
HW
WV
VA
FPS
PT
PT
SS ETS OS EFS
HMI

Summary of content (7 pages)