User Manual
Table Of Contents

34
TASCAM UH-7000
9 – Specifications
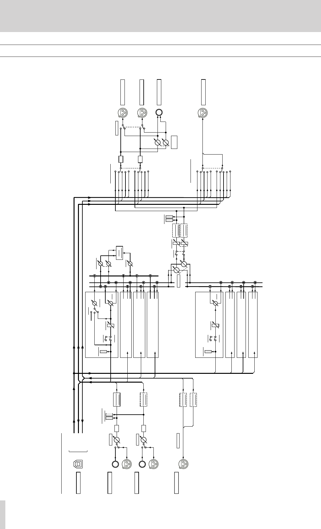
Audio flow diagram
8
Multitrack mode