User manual
Table Of Contents
- Wichtige Hinweise zu Ihrer Sicherheit
- 1 – Bevor Sie beginnen
- 2 – Die Bedienelemente und ihre Funktionen
- 3 – Installation
- 4 – Kabelverbindungen herstellen
- 5 – Die Einstellungen der Mixeroberfläche
- 6 – Standalone-Betrieb
- 7 – Audioanwendungen
- 8 – Problembehebung
- 9 – Technische Daten

9 – Technische Daten
TASCAM UH-7000 – Benutzerhandbuch
37
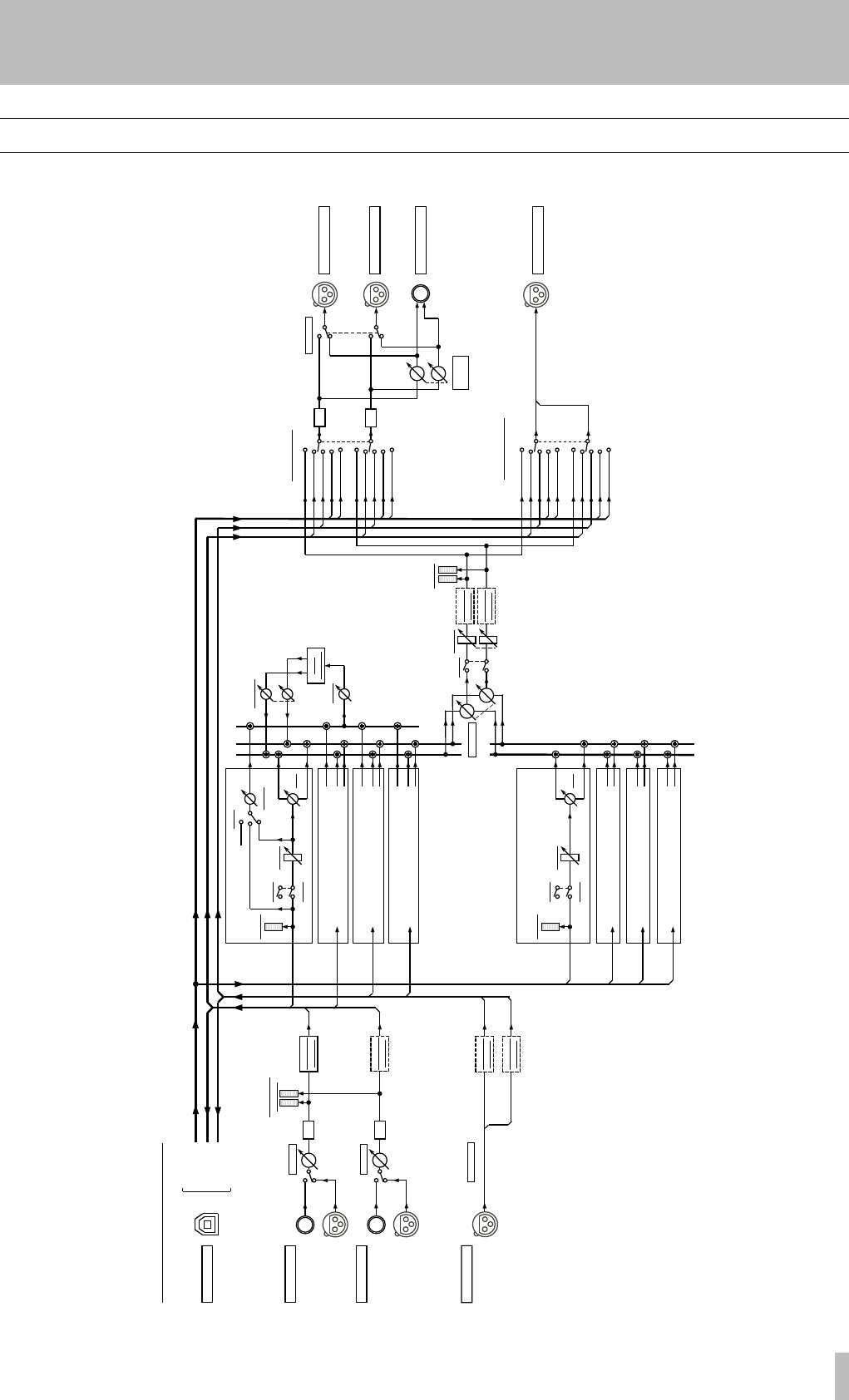
Signalflussdiagramme
ª Mehrspurmodus