Datasheet

A1
REVISIONS
0 PLC
1 PLC
2 PLC
3 PLC
4 PLC
ANGLES
OF
SCALE SHEET
REV
NAME
SIZE CAGE CODE DRAWING NO
DIMENSIONS:
TOLERANCES UNLESS
OTHERWISE SPECIFIED:
DWN
CHK
APVD
MATERIAL FINISH
PRODUCT SPEC
APPLICATION SPEC
WEIGHT
P LTR DATE
APVD
DWNDESCRIPTION
5
67
8 34 2 1
D
B
A
A
B
C
C
D
ALL RIGHTS RESERVED.
RELEASED FOR PUBLICATION
C
COPYRIGHT
THIS DRAWING IS UNPUBLISHED.
4805 (3/13)
RESTRICTED TO
THIS DRAWING IS A CONTROLLED DOCUMENT.
TE Connectivity
( )32.1
( )60.8
( )18.1
2X ( )2
1
2
3
4
CUSTOMER DRAWING
776228
D. STRAUSSER
05MAR2010
D.STRAUSSER
22MAR2010
D. STRAUSSER
27APR2010
4:1
1 2
C10
108-1329
114-16016
-
- -
mm
-
0.2
0.13
-
-
5$
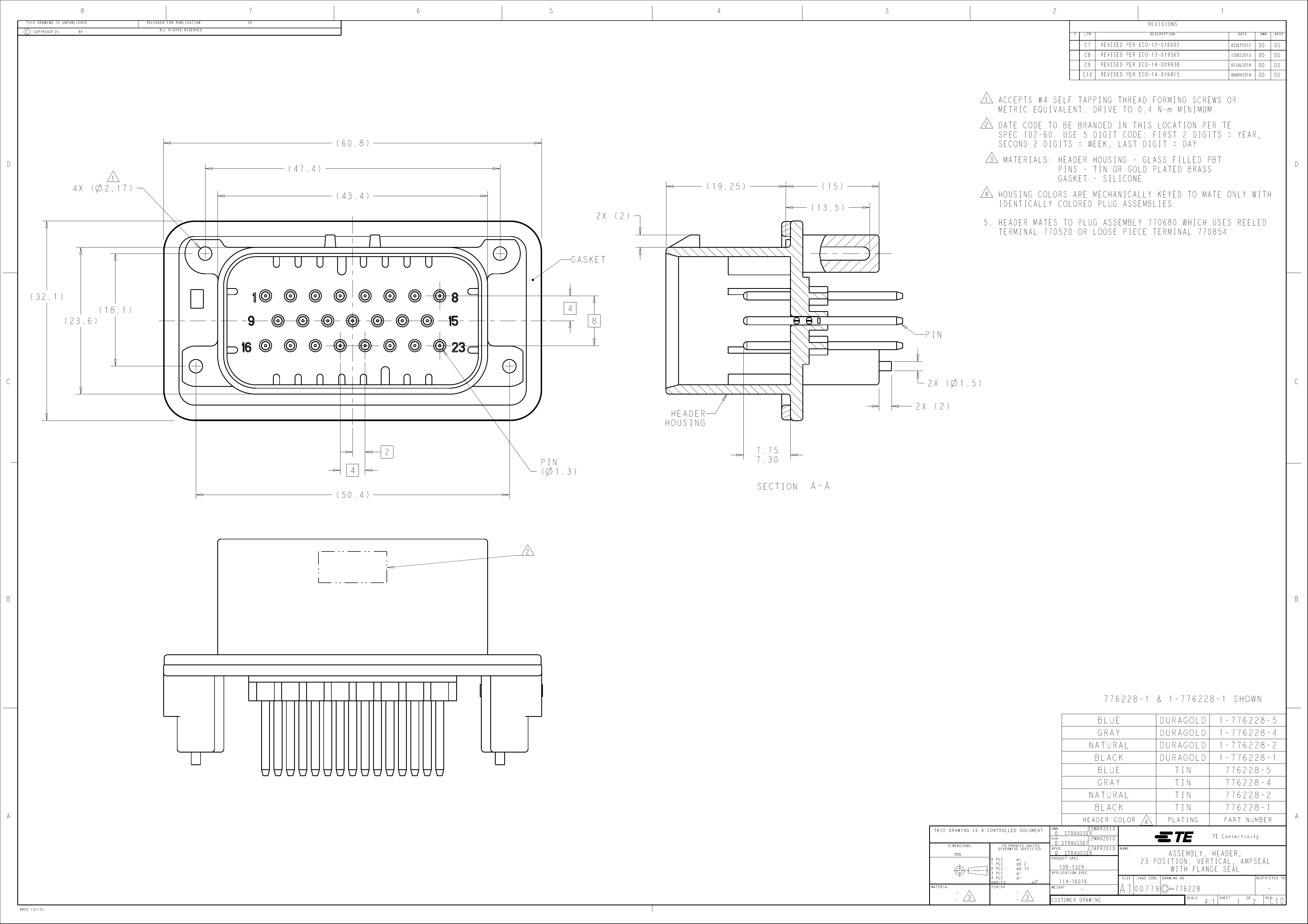
ASSEMBLY, HEADER,
23 POSITION, VERTICAL, AMPSEAL
WITH FLANGE SEAL
-
20
- -
20
00779
BY -
C7
REVISED PER ECO-12-016002
05SEP2012
DD DS
C8
REVISED PER ECO-13-019565
12DEC2013
DD DS
C9
REVISED PER ECO-14-009938
02JUL2014
DD DS
C10
REVISED PER ECO-14-016815
06NOV2014
DD DS
2X ( )1.5
7.75
7.30
( )19.25
( )13.5
( )15
4
8
2
4
PIN
( )1.3
2X ( )2
( )50.4
( )23.6
4X ( )2.17
( )43.4
( )47.4
PART NUMBERPLATINGHEADER COLOR
776228-1TINBLACK
776228-2TINNATURAL
776228-4TINGRAY
776228-5TINBLUE
1-776228-1DURAGOLDBLACK
1-776228-2DURAGOLDNATURAL
1-776228-4DURAGOLDGRAY
1-776228-5DURAGOLDBLUE
776228-1 & 1-776228-1 SHOWN
ACCEPTS #4 SELF TAPPING THREAD FORMING SCREWS OR
METRIC EQUIVALENT. DRIVE TO 0.4 N-m MINIMUM
DATE CODE TO BE BRANDED IN THIS LOCATION PER TE
SPEC 102-60. USE 5 DIGIT CODE: FIRST 2 DIGITS = YEAR,
SECOND 2 DIGITS = WEEK, LAST DIGIT = DAY
MATERIALS: HEADER HOUSING - GLASS FILLED PBT
PINS - TIN OR GOLD PLATED BRASS
GASKET - SILICONE
HOUSING COLORS ARE MECHANICALLY KEYED TO MATE ONLY WITH
IDENTICALLY COLORED PLUG ASSEMBLIES.
5. HEADER MATES TO PLUG ASSEMBLY 770680 WHICH USES REELED
TERMINAL 770520 OR LOOSE PIECE TERMINAL 770854
GASKET
SECTION
A-A
PIN
HEADER
HOUSING
4
3 3
1
2

Summary of content (2 pages)