Datasheet
Manuals
Brands
TE CONNECTIVITY Manuals
PCB Connectors
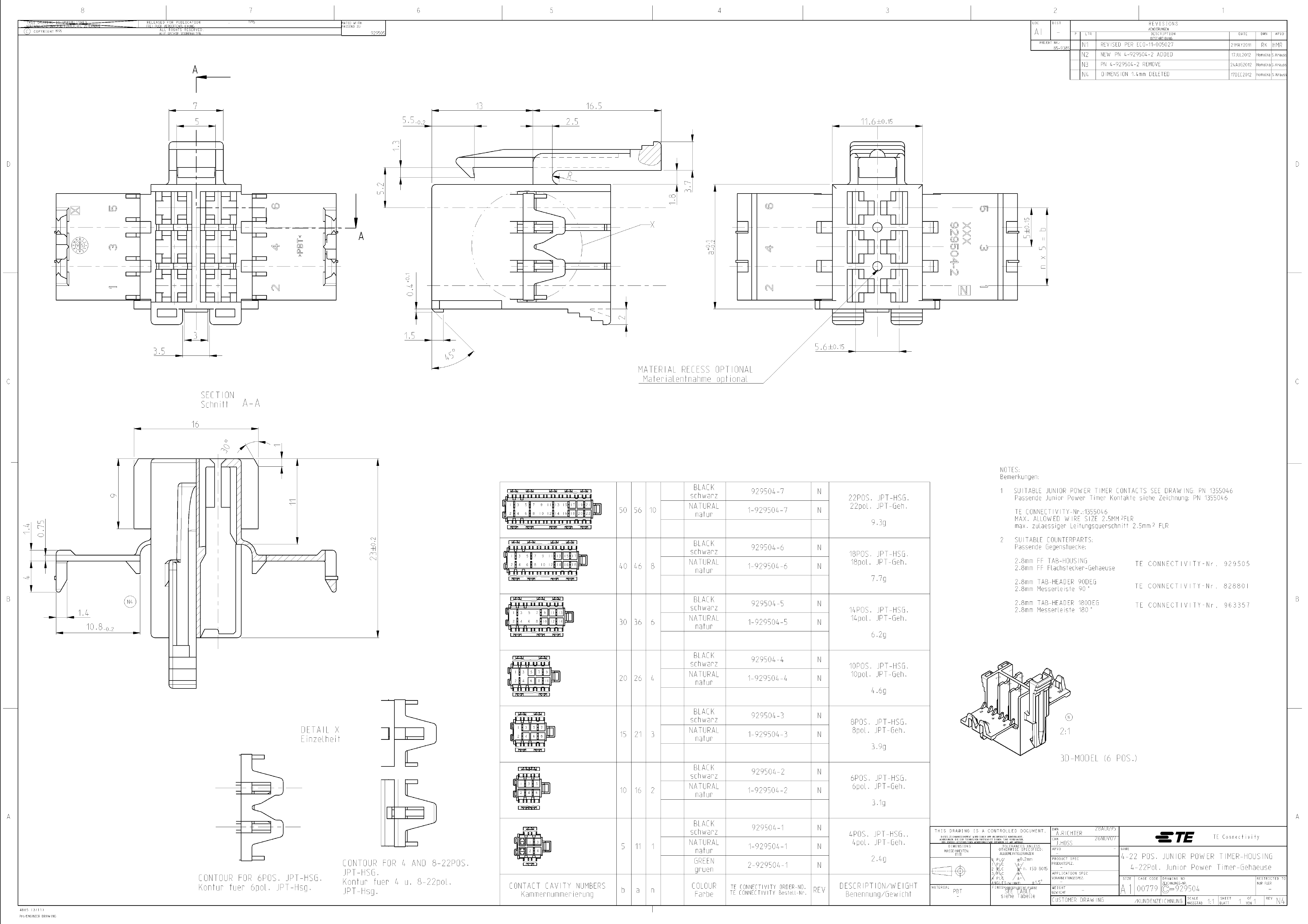
Socket enclosure - cable J-P-T Total number of pins 22 Contact spacing: 5 mm 1 pc(s)
1
1
Summary of content (1 pages)
PAGE 1