user manual

16
Audiocom®
CHN 1
CHN 2
CLASS 2 WIRING 1.5A 24VDC
100-249 VAC 60/50 HZ
MADE IN USA
®
CHN 1
CHN 2
CLASS 2 WIRING 1.5A 24VDC
100-249 VAC 60/50 HZ
MADE IN USA
®
XP-ES4000
12-15 VDC
+
-
3
SPEAKERS
PROGRAM
INPUTS
4
LINE LEVEL
1 VRMS
EXP
OUT
CAN 3-6 OUTPUTS
EXP
IN
5
6
3456
PGM VOLUME
BAL-OUT
UNBAL-IN
Telex
®
FRONT
BACK
CH 3-6
ES4000A
PUSH PUSH PUSH
PUSH
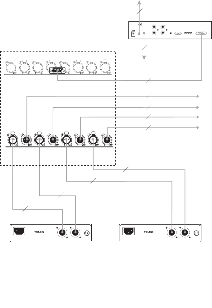
PS2000L Power Supplies
Combine / Isolate switches set to Isolate
TO REMOTE MASTER
STATIONS AND BELT PACKS
TO US2000A
EXP IN CONNECTOR
TO THE EXP IN CONNECTOR
OF ANOTHER ES4000A
CH 6
CH 5
CH 4
CH 3
1
1
1
1
1
1
1
CH 3CH 6 CH 5 CH 4
1
6
5
5
Figure 8. Intermediate Power Configuration for Channels 3-6 (or 7-10, 11-14,
etc.). This power supply configuration should only be used at one point in each
group of 4 channels. Typically, it is set up at the central master station. It permits
about twice as many remote stations on the 4 channels than is possible with the
power supply configuration shown in Figure 6
.
Note: For further informa-
tion about the cable num-
bers, see page 22.










