User Guide POWER SUPPLY ADS5423/24/33, ADS5411
Table Of Contents

1 2 3 4 56
A
B
C
D
6
54321
D
C
B
A
FILE:
Drawn By:
Engineer:
ti
12500 TI Boulevard. Dallas, Texas 75243
Title:
SHEET: OF:
SIZE:
DATE:
REV:
8-Dec-2004
DOCUMENTCONTROL #
ADS5424
A
2
J. SETON
Y. DEWONCK
NOTE 1. DO NOT INSTALL
3.3V_DVDD
CLK+
CLK-
CLK+
CLK-
AIN+
AIN-
AIN+
AIN-
5V_AVDD
C3
.1uF
C4
.1uF
OVR
D0
D1
D2
D3
D4
D5
D6
D7
D8
D9
D10
D11
D12
D13
VREF
VREF
C25
.1uF
DRY
DVDD
1
AVSS
2
VBG
3
VSS
4
+ENC
5
-ENC
6
LVSS
7
LVDD
8
CVDD
9
CVSS
10
+AIN
11
-AIN
12
AVSS
13
AVDD
14
ABVSS
15
ABVDD
16
AVSS
17
AVDD
18
AVSS
19
CEXT1
20
AVSS
21
AVDD
22
AVSS
23
CEXT2
24
AVSS
25
AVDD
26
PBKG
27
ADVDD
28
ADVSS
29
AVDD
30
DNC
31
OVR
32
DVDD
33
DVSS
34
DMID
35
D0
36
D1
37
D2
38
D3
39
D4
40
D5
41
DVSS
42
DVDD
43
D6
44
D7
45
D8
46
D9
47
D10
48
D11
49
D12
50
D13
51
DRY
52
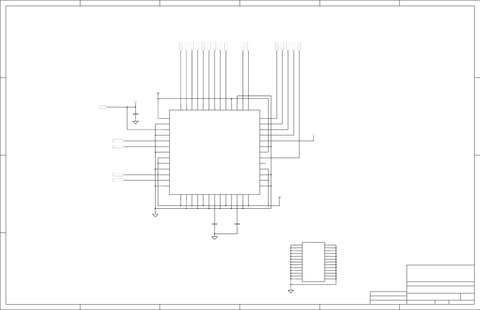
U1A
ADS5424
OVR
D0
D1
D2
D3
D4
D5
D6
D7
D8
D9
D10
D11
D12
D13
DRY
PPAD
61
PPAD
62
PPAD
63
PPAD
64
PPAD
65
PPAD
66
PPAD
67
PPAD
68
PPAD
69
PPAD
70
PPAD
71
PPAD
72
PPAD
73
PPAD
74
PPAD
75
PPAD
76
PPAD
77
PPAD
78
PPAD
79
PPAD
80
PPAD
81
PPAD
82
PPAD
83
PPAD
84
PPAD
85
PPAD
86
U1B
ADS5424
4
(Sh 1)
(Sh 1)
(Sh 1)
(Sh 1)
(Sh 1)
(Sh 3)
(Sh 3)
(Sh 3)
(Sh 3)
(Sh 3)
(Sh 3)
(Sh 3)
(Sh 3)
(Sh 3)
(Sh 3)
(Sh 3)
(Sh 3)
(Sh 3)
(Sh 3)
(Sh 3)
(Sh 3)
J14
RED
J17
BLACK










