Car Amplifier User Manual
Table Of Contents

TOP VIEW
C3C2C1
B1 B2 B3
A3A2A1
0.5in
0.5in
VDD
GND
Vdd
GND
GND GND GND GND
0.5in
0.5in
0.5in
0.5in
0.5in
0.5in
DNP
TVS1
DNP
TVS2
Vdd
GND
GND
GND GND GND GND
C7
1000pfd/100V
C8
1000pfd/100V
C1
0.1ufd/25V
C2
0.1ufd/25V
R2
150K
R3
150K
OUT -
OUT +
R1
100K
Vdd
GND
S1
C10
4700pfd/50V
R5
1.0K
TP OUT+
TP OUT-
JP1
IN
GND
C9
4700pfd/50V
R4
1.0K
GND
TPA2011D1YFF
U1
FB1
220ohms/2A
FB2
220ohms/2A
R100
0.0
R101
0.0
C3
10ufd/6.3V
C4
0.1ufd/16V
STANDOFFS
Reference
www.ti.com
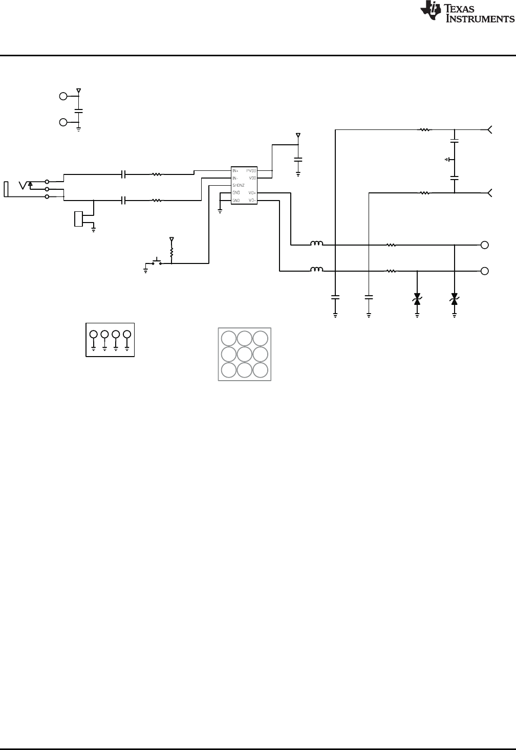
3.2 TPA2011D1EVM Schematic Diagram
Figure 3. TPA2011D1EVM Schematic Diagram
4
TPA2011D1 Audio Power Amplifier Evaluation Module SLOU244–December 2009
Submit Documentation Feedback
Copyright © 2009, Texas Instruments Incorporated







