User's Manual
Manuals
Brands
Texas Instruments Manuals
Electronics
2.4GHz Wi-Fi Module
1
2
3
4
5
6
7
8
9
10
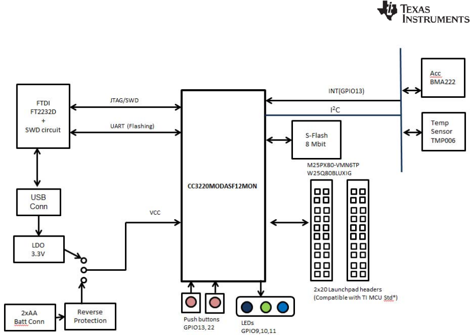
Figure
1
‐
3:
Functional
block
diagram
of
the
LAUNCHCC3220MODASF
Si
mpleLi
nk
LaunchPad
Figure
1
‐
4
shows
the
hardware
implementation
of
the
LAUNCHCC3220MODASF
1
...
...
4
5
6
7
8
...
...
52