Datasheet

SLES116A − AUGUST 2004 − REVISED NOVEMBER 2006
www.ti.com
32
–
+
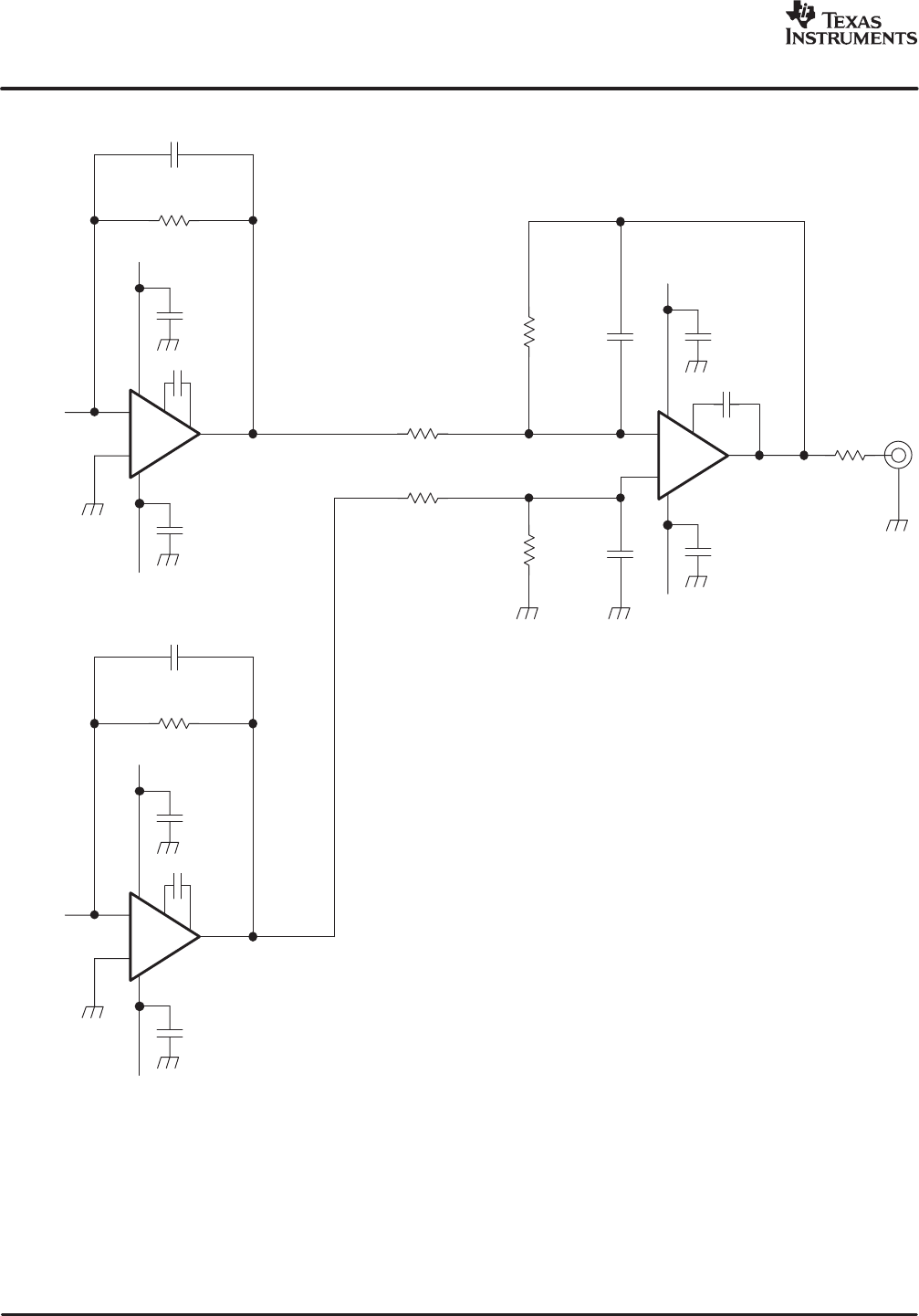
R
1
750 Ω
2
3
7
5
8
6
4
C
11
0.1 µF
C
17
22 pF
V
CC
C
1
2200 pF
C
12
0.1 µF
V
EE
U
1
NE5534
I
OUT
–
–
+
R
2
750 Ω
2
3
7
5
8
6
4
C
13
0.1 µF
C
18
22 pF
V
CC
C
2
2200 pF
C
14
0.1 µF
V
EE
U
2
NE5534
I
OUT
+
–
+
2
3
7
5
6
4
C
15
0.1 µF
C
19
33 pF
V
CC
C
16
0.1 µF
V
EE
U
3
LT1028
R
7
100 Ω
C
3
2700 pF
R
5
270 Ω
C
4
2700 pF
R
6
270 Ω
R
3
560 Ω
R
4
560 Ω
V
CC
= 15 V
V
EE
= –15 V
f
C
= 217 kHz
Figure 33. Measurement Circuit for PCM, V
OUT
= 2 V RMS










