Datasheet

SLES116A − AUGUST 2004 − REVISED NOVEMBER 2006
www.ti.com
7
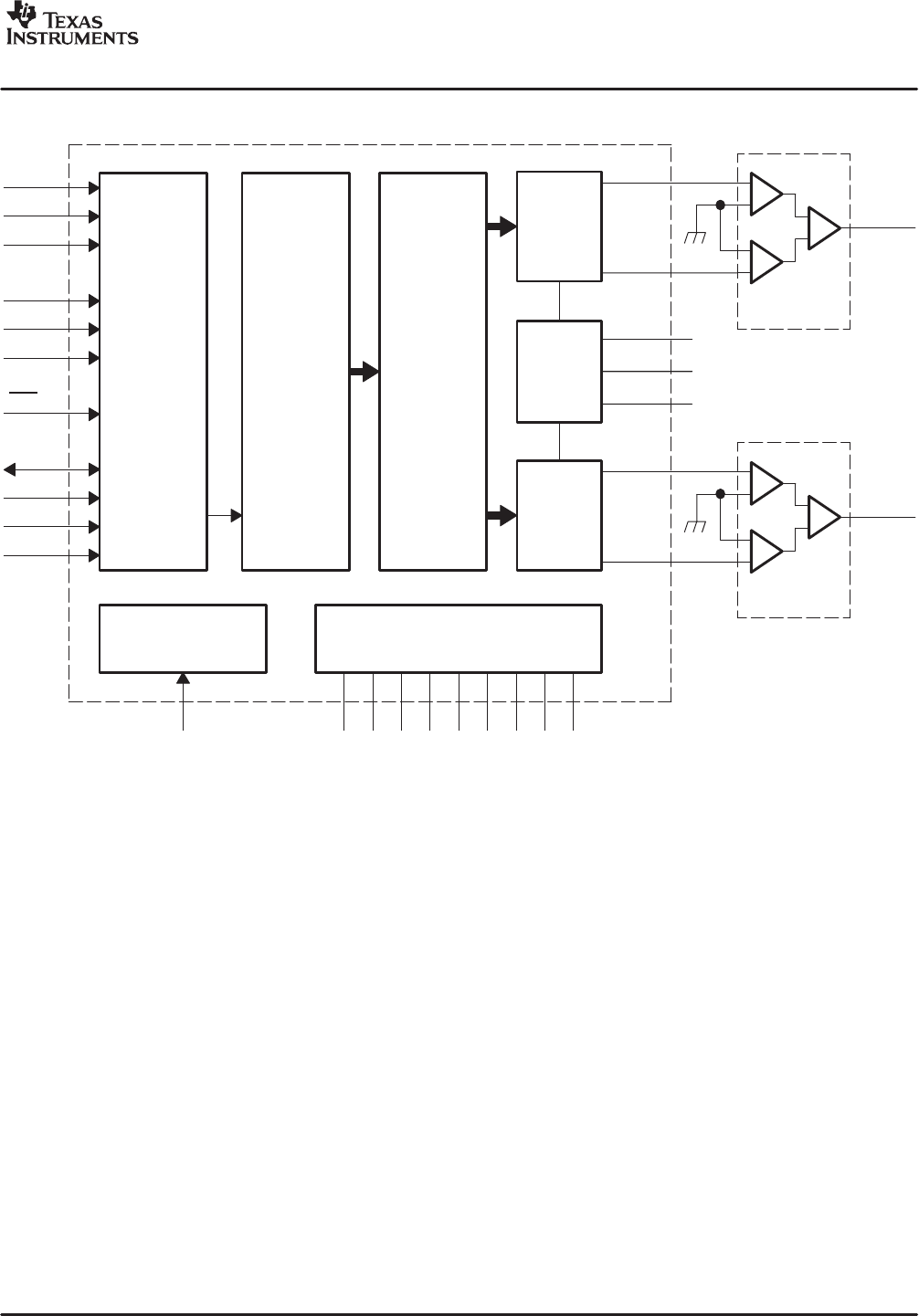
FUNCTIONAL BLOCK DIAGRAM
System Clock Manager Power Supply
DBCK
DSDL
DSDR
RST
SCK
Advanced
Segment
DAC
Modulator
I
OUT
L+
I
OUT
L–
I
OUT
R–
Current
Segment
DAC
I
OUT
R+
Bias
and
Vref
V
COM
L
V
COM
R
AGND2
V
DD
V
CC
1
V
CC
2L
V
CC
2R
AGND1
I/V and Filter
8
Oversampling
Digital
Filter
and
Function
Control
Audio
Data Input
I/F
PLRCK
PBCK
PDATA
SDA
SCL
ADR0
ADR1
AGND3L
AGND3R
DGND
Current
Segment
DAC
I
REF
V
OUT
L
I/V and Filter
V
OUT
R
Function
Control
I/F










