Datasheet

INA163
SBOS177D
6
www.ti.com
APPLICATIONS INFORMATION
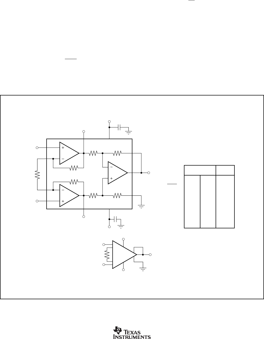
Figure 1 shows the basic connections required for
operation. Power supplies should be bypassed with
0.1µF tantalum capacitors near the device pins. The
output Sense (pin 8) and output Reference (pin 10)
should be low-impedance connections. Resistance of
a few ohms in series with these connections will
degrade the common-mode rejection of the INA163.
GAIN-SET RESISTOR
Gain is set with an external resistor, R
G
, as shown in
Figure 1. The two internal 3kΩ feedback resistors are
laser-trimmed to 3kΩ within approximately ±0.2%. Gain
is:
G
R
G
=+1
6000
The temperature coefficient of the internal 3kΩ resis-
tors is approximately ±25ppm/°C. Accuracy and TCR
of the external R
G
will also contribute to gain error and
FIGURE 1. Basic Circuit Connections.
temperature drift. These effects can be inferred from
the gain equation. Make a short, direct connection to
the gain set resistor, R
G
. Avoid running output signals
near these sensitive input nodes.
NOISE PERFORMANCE
The INA163 provides very low-noise with low-source
impedance. Its 1nV/√Hz voltage noise delivers near-
theoretical noise performance with a source imped-
ance of 200Ω. The input stage design used to achieve
this low noise, results in relatively high input bias
current and input bias current noise. As a result, the
INA163 may not provide the best noise performance
with a source impedance greater than 10kΩ. For source
impedance greater than 10kΩ, other instrumentation
amplifiers may provide improved noise performance.
A1
A2
A3
6kΩ 6kΩ
Sense
8
9
10
14 6
111
4
3
12
5
6kΩ 6kΩ
V
IN−
V
IN+
R
G
V+
V−
V+
V−
INA163
G = 1 +
6000
R
G
3kΩ
3kΩ
V
O
V
O
Sometimes Shown in
Simplified Form:
NOTE: (1) NC = No Connection.
Ref
0.1µF
0.1µF
R
G
INA163
GAIN R
G
(V/V) (dB) ( Ω )
10NC
(1)
2 6 6000
5 14 1500
10 20 667
20 26 316
50 34 122
100 40 61
200 46 30
500 54 12
1000 60 6
2000 66 3










