Datasheet

www.ti.com
PRODUCTION DATA information is current as of publication date.
Products conform to specifications per the terms of Texas Instruments
standard warranty. Production processing does not necessarily include
testing of all parameters.
Copyright © 2001-2006, Texas Instruments Incorporated
Please be aware that an important notice concerning availability, standard warranty, and use in critical applications of
Texas Instruments semiconductor products and disclaimers thereto appears at the end of this data sheet.
FEATURES
● COMPLETE BIDIRECTIONAL CURRENT
MEASUREMENT CIRCUIT
● WIDE SUPPLY RANGE: 2.7V to 40V
● SUPPLY-INDEPENDENT COMMON-MODE
VOLTAGE: 2.7V TO 60V
● RESISTOR PROGRAMMABLE GAIN SET
● LOW QUIESCENT CURRENT: 75µA (typ)
● MSOP-8 PACKAGE
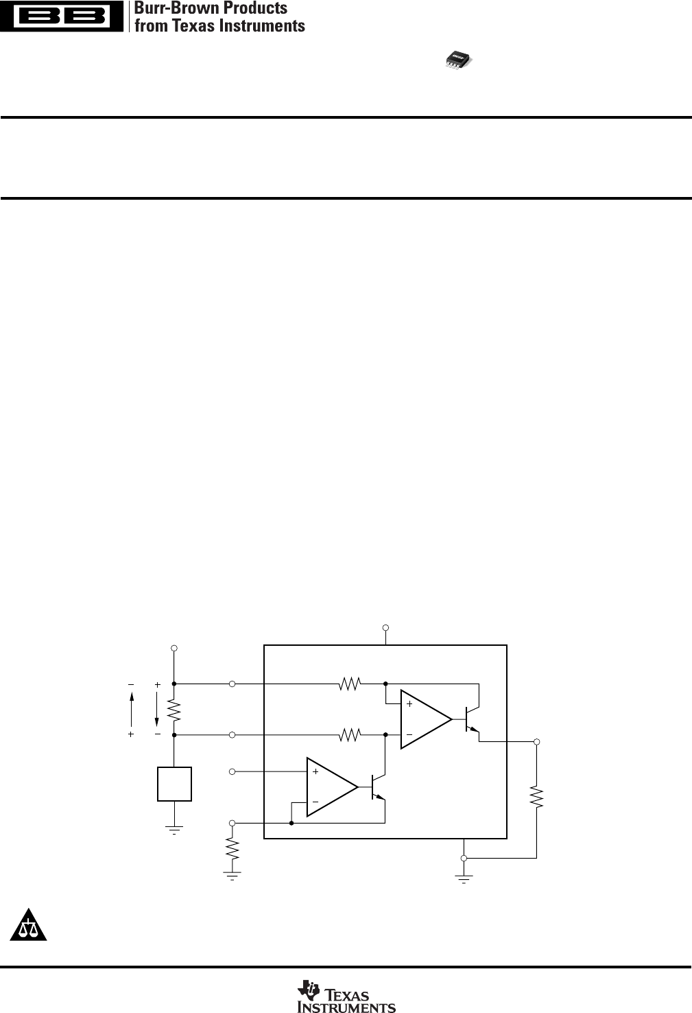
High-Side, Bidirectional
CURRENT SHUNT MONITOR
DESCRIPTION
The INA170 is a high-side, bidirectional current shunt moni-
tor featuring a wide input common-mode voltage range, low
quiescent current, and a tiny MSOP-8 package.
Bidirectional current measurement is accomplished by out-
put offsetting. The offset voltage level is set with an external
resistor and voltage reference. This permits measurement of
a bidirectional shunt current while using a single supply for
the INA170.
Input common-mode and power-supply voltages are inde-
pendent. Input voltage can range from +2.7V to +60V on any
supply voltage from +2.7V to +40V. Low 10µA input bias
current adds minimal error to the shunt current.
The INA170 converts a differential input voltage to a current
output. This current develops a voltage across an external
load resistor, setting any gain from 1 to over 100.
The INA170 is available in an MSOP-8 package, and is
specified over the extended industrial temperature range,
–40°C to +85°C with operation from –55°C to +125°C.
APPLICATIONS
● CURRENT SHUNT MEASUREMENT:
Automotive, Telephone, Computers, Power
Systems, Test, General Instrumentation
● PORTABLE AND BATTERY-BACKUP
SYSTEMS
● BATTERY CHARGERS
● POWER MANAGEMENT
● CELL PHONES
INA170
SBOS193D – MARCH 2001 – REVISED JANUARY 2006
2
1
3
OUT
GND
INA170
Q1
A1
A2
Q2
6
4
I
S
V
REF
V+
V
SUPPLY
R
OS
8
5
Load
R
L
R
G1
1kΩ
R
G2
1kΩ
R
S
V
IN
V
IN
+
–
R
OS
All trademarks are the property of their respective owners.










