Datasheet

LM2596
SNVS124C NOVEMBER 1999REVISED APRIL 2013
www.ti.com
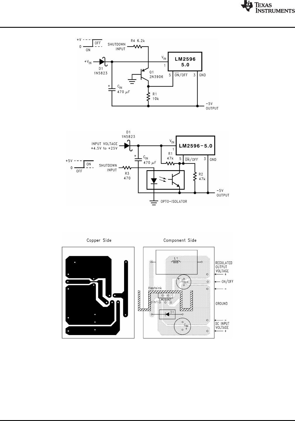
Figure 39. Inverting Regulator Ground Referenced Shutdown
Figure 40. Inverting Regulator Ground Referenced Shutdown using Opto Device
TYPICAL THROUGH HOLE PC BOARD LAYOUT, FIXED OUTPUT (1X SIZE), DOUBLE SIDED
C
IN
—470 μF, 50V, Aluminum Electrolytic Panasonic, “HFQ Series”
C
OUT
—330 μF, 35V, Aluminum Electrolytic Panasonic, “HFQ Series”
D1—5A, 40V Schottky Rectifier, 1N5825
L1—47 μH, L39, Renco, Through Hole
Thermalloy Heat Sink #7020
30 Submit Documentation Feedback Copyright © 1999–2013, Texas Instruments Incorporated
Product Folder Links: LM2596